|  |
 |  | 

ГИП */**/5/1500
|
| |
УЗИП в виде печатной платы. Количество защищаемых пар проводников 1-4. Uo= 6, 12, 24, 30, 48, 60, 80, 110, 220, 350 В DC. IL= 5 А. In (8/20)=20 кА. В УЗИП применяются TVS-диоды с Рppm=1500 Вт. Скорость передачи данных до 1 Мбит/с.
| |
|
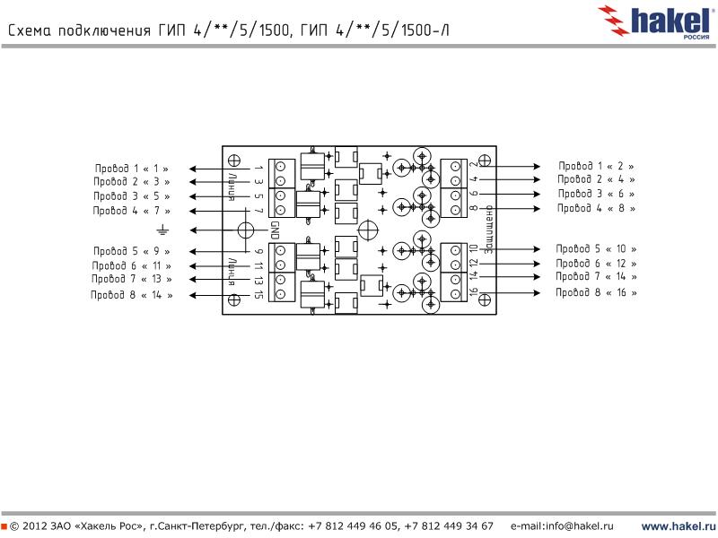
УЗИП серии ГРОЗОСТОП® ГИП */**/5/1500, ТУ 3428-002-79740390-2007 предназначены для защиты оборудования распределенных сетей аппаратуры промышленной автоматизации (АСУ ТП, АСКУЭ и др.), цифровых интерфейсов передачи данных, сигнальных линий систем управления и измерения, а также для защиты вторичных цепей питания и др. от импульсных перенапряжений (грозозащита, защита от электростатических разрядов и др.) в пределах 1 - 2 зон молниезащиты в соответствии с ГОСТ Р МЭК 62305-1.
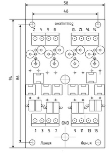
УЗИП серии ГРОЗОСТОП® ГИП */**/5/1500, ТУ 3428-002-79740390-2007 выполнены в виде печатной платы для установки в защищаемое оборудование.
- Первая ступень защиты выполнена на газонаполненных разрядниках с In (8/20)=20 кА, вторая на TVS-диодах с Рppm=1500 Вт.
- Количество защищаемых пар проводников 1-4, подключение с помощью винтовых клемм.
- Выпускаются на номинальное рабочее напряжение Uo= 6, 12, 24, 30, 48, 60, 80, 110, 220, 350 В DC, номинальный ток IL= 5 А.
- Способны пропускать номинальный разрядный ток In (8/20)=20 кА.
- Скорость передачи данных до 1 Мбит/с. | |
| |
| |
| |
| |
| |
| |
| |
| |
|
cертификат соответствия требованиям ТР ТС 004/2011 «О
безопасности низковольтного оборудования»
|
сертификат соответствия системы менеджмента качества требованиям СТО Газпром 9001-2012 |
сертификат соответствия системы менеджмента качества требованиям ГОСТ Р ИСО 9001-2015 | сертификат соответствия системы менеджмента качества требованиям ГОСТ ISO 9001-2011 (ISO 9001:2015) | |
|
Теория и особенности применения: | |
| |
| |
| |
| |
| |
Дополнительные принадлежности:
| |
|
| |
Технические характеристики:
|
УЗИП на номинальное рабочее напряжение Uo= 6, 12, 24, 30 В DC
|
Технические характеристики
Количество защищаемых пар |
1 |
|
|
|
| |
2 |
ГИП 2/6/5/1500 |
|
|
ГИП 2/30/5/1500
| |
3 |
|
|
|
| |
4 |
|
|
|
| |
Номинальное рабочее напряжение DC |
UO |
6 В |
|
|
30 В | |
Макс. длительное рабочее напряжение DC |
UC |
7 В |
13,5 В |
28 В |
33 В | |
|
IL | 5 А |
5 А |
5 А |
5 А | | D1 Импульсный ток (10/350) | Iimp | 2.5 кА | 2.5 кА | 2.5 кА | 2.5 кА |
C2 Номинальный разрядный ток (8/20) |
In |
20 кА |
|
|
20 кА | |
Уровень напряжения защиты при
I= 1 кА (8/20) (линия-линия) |
|
< 18 В |
|
|
| |
Уровень напряжения защиты при
1 кВ/мкс (линия-линия)
|
|
|
|
|
|
Макс. допустимая импульсная мощность, рассеиваемая TVS-диодами |
|
|
|
|
| |
|
tA |
< 1 нс |
|
|
| |
Скорость передачи данных, не более
| |
1 Мбит/с |
1 Мбит/с |
1 Мбит/с |
1 Мбит/с | |
Вносимая индуктивность в проводник
| L
|
|
|
|
4,7 мкГн | |
Вносимая емкость |
С |
1,5 нФ |
1,5 нФ |
1,5 нФ |
1,5 нФ | |
Рабочая температура |
|
-40...+80°C |
-40...+80°C |
-40...+80°C |
-40...+80°C | |
Степень защиты в соответствии с ГОСТ 14254 |
|
IP00 |
IP00 |
IP00 |
IP00 | |
Монтаж |
|
|
|
монтажная панель |
монтажная панель | |
Cечение присоединяемых проводников |
|
0.25-2.5 мм² |
|
|
| |
Категория в соответствии с ГОСТ IEC 61643-21-2014 |
|
C2, C3, D1 |
C2, C3, D1 |
C2, C3, D1 |
C2, C3, D1 | |
Номер по каталогу |
|
|
400 181
|
400 191
|
400 201
| |
|
|
|
400 182
|
400 192
|
400 202
| |
|
|
|
400 183
|
400 193
|
400 203
| |
|
|
400 180
|
400 184
|
400 194
|
400 204
|
| |
УЗИП на номинальное рабочее напряжение Uo= 48, 60, 80, 110 В DC
|
Технические характеристики
Количество защищаемых пар |
1 |
|
|
|
| |
2 |
ГИП 2/48/5/1500 |
|
|
ГИП 2/110/5/1500
| |
3 |
|
|
|
| |
4 |
|
|
|
| |
Номинальное рабочее напряжение DC |
UO |
48 В |
|
|
110 В | |
Макс. длительное рабочее напряжение DC |
UC |
53 В |
70 В |
94 В |
128 В | |
|
IL | 5 А |
5 А |
5 А |
5 А | | D1 Импульсный ток (10/350) | Iimp | 2.5 кА | 2.5 кА | 2.5 кА | 2.5 кА |
C2 Номинальный разрядный ток (8/20) |
In |
20 кА |
|
|
20 кА | |
Уровень напряжения защиты при
I= 1 кА (8/20) (линия-линия)
|
|
< 86 В |
|
|
| |
Уровень напряжения защиты при
1 кВ/мкс (линия-линия)
|
|
|
|
|
|
Макс. допустимая импульсная мощность, рассеиваемая TVS-диодами |
|
|
|
|
| |
|
tA |
< 1 нс |
|
|
| |
Скорость передачи данных, не более
| |
1 Мбит/с |
1 Мбит/с |
1 Мбит/с |
1 Мбит/с | |
Вносимая индуктивность в проводник
| L
|
|
|
|
4,7 мкГн | |
Вносимая емкость |
С |
1,5 нФ |
1,5 нФ |
1,5 нФ |
1,5 нФ | |
Рабочая температура |
|
-40...+80°C |
-40...+80°C |
-40...+80°C |
-40...+80°C | |
Степень защиты в соответствии с ГОСТ 14254 |
|
IP00 |
IP00 |
IP00 |
IP00 | |
Монтаж |
|
|
|
монтажная панель |
монтажная панель | |
Cечение присоединяемых проводников |
|
0.25-2.5 мм² |
|
|
| |
Категория в соответствии с ГОСТ IEC 61643-21-2014 |
|
C2, C3, D1 |
C2, C3, D1 |
C2, C3, D1 |
C2, C3, D1 | |
Номер по каталогу |
|
|
400 221
|
400 231
|
400 241
| |
|
|
|
400 222
|
400 232
|
400 242
| |
|
|
|
400 223
|
400 233
|
400 243
| |
|
|
400 214
|
400 224
|
400 234
|
400 244
| |
УЗИП на номинальное рабочее напряжение Uo=220, 350 В DC
Технические характеристики
Количество защищаемых пар |
1 |
|
|
|
| |
2 |
ГИП 2/220/5/1500 |
|
|
| |
3 |
|
|
|
| |
4 |
|
|
|
| |
Номинальное рабочее напряжение DC |
UO |
220 В |
|
|
| |
Макс. длительное рабочее напряжение DC |
UC |
250 В |
370 В |
|
| |
|
IL | 5 А |
5 А |
|
| | D1 Импульсный ток (10/350) | 2.5 кА | 2.5 кА |
|
|
C2 Номинальный разрядный ток (8/20) |
In |
20 кА |
|
|
| |
Уровень напряжения защиты при
I= 1 кА (8/20) (линия-линия)
|
|
< 375 В |
|
|
| |
Уровень напряжения защиты при
1 кВ/мкс (линия-линия)
|
|
|
|
|
|
Макс. допустимая импульсная мощность, рассеиваемая TVS-диодами |
|
|
|
|
| |
|
tA |
< 1 нс |
|
|
| |
Скорость передачи данных, не более
| |
1 Мбит/с |
1 Мбит/с |
|
| |
Вносимая индуктивность в проводник
| L
|
|
|
|
| |
Вносимая емкость |
С |
1,5 нФ |
1,5 нФ |
|
| |
Рабочая температура |
|
-40... +80°C |
-40...+80°C |
|
| |
Степень защиты в соответствии с ГОСТ 14254 |
|
IP00 |
IP00 |
|
| |
Монтаж |
|
|
|
|
| |
Cечение присоединяемых проводников |
|
0.25-2.5 мм² |
|
|
| |
Категория в соответствии с ГОСТ IEC 61643-21-2014
|
|
C2, C3, D1
|
C2, C3, D1
|
|
| |
Номер по каталогу
|
|
400 251
|
400 255
|
|
| |
|
|
400 252
|
400 256
|
|
| |
|
|
400 253
|
400 257
|
|
| |
|
|
400 254
|
400 258
|
|
|
 |  |  |
 |
 |