|  |
 |  | 

DTB */**
|
| |
| | УЗИП корпусе для настенного крепления. Количество защищаемых пар проводников 2-4. Uo= 6, 12, 170 В DC. IL = 100 мА. Imax(8/20) = 10 кА. | |
| |
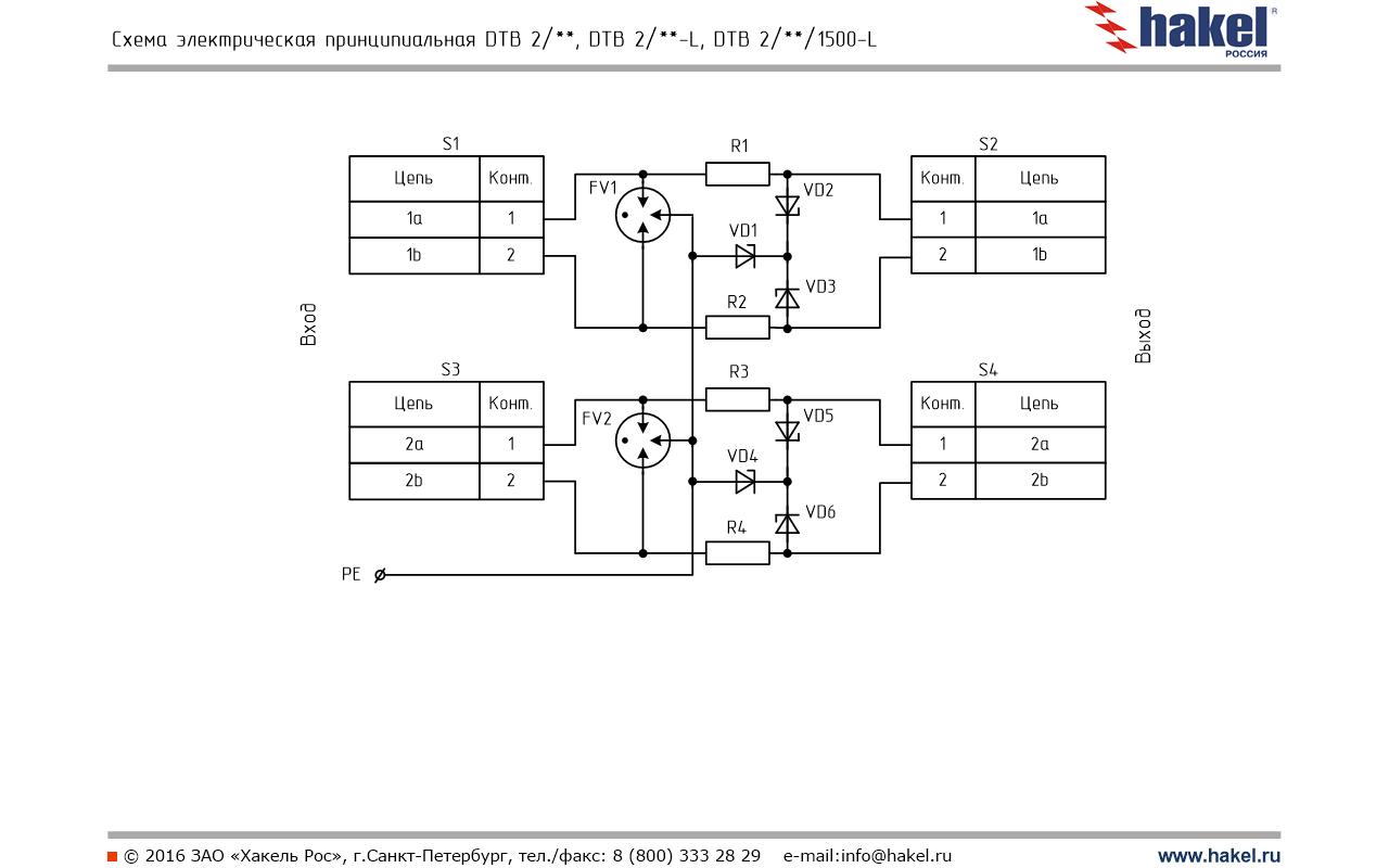
УЗИП серии DTB */**, ТУ
3428-002-79740390-2007 предназначены для защиты оборудования распределенных сетей аппаратуры промышленной автоматизации (АСУ ТП, АСКУЭ и др.), цифровых интерфейсов передачи данных, сигнальных линий систем управления и измерения, а также для защиты вторичных цепей питания и др. от импульсных перенапряжений (грозозащита, защита от электростатических разрядов и др.) в пределах 1 - 2 зон молниезащиты в соответствии с ГОСТ Р МЭК 62305-1-2010.
УЗИП серии DTB */**, ТУ 3428-002-79740390-2007 размещены в пластмассовом корпусе для настенного крепления.
- Первая ступень защиты выполнена на газонаполненных разрядниках с Imax(8/20) = 10 кА, вторая на TVS-диодах с Рppm = 600 Вт.
- Количество защищаемых пар проводников 2-4, подключение с помощью винтовых клем.
- Выпускаются на номинальное рабочее напряжение Uo = 6, 12, 170 В DC, номинальный ток IL = 100 мА.
- Способны пропускать максимальный разрядный ток Imax(8/20) = 10 кА.
- Скорость передачи данных не более 1 Мбит/с.
- Подключение к шине заземления производится проводником сечением 4 мм2.
| |
| |
| |
| |
| |
| |
| |
| |
|
cертификат соответствия требованиям ТР ТС 004/2011 «О
безопасности низковольтного оборудования»
|
сертификат соответствия системы менеджмента качества требованиям СТО Газпром 9001-2012 |
сертификат соответствия системы менеджмента качества требованиям ГОСТ Р ИСО 9001-2015 | сертификат соответствия системы менеджмента качества требованиям ГОСТ ISO 9001-2011 (ISO 9001:2015) | |
|
Теория и особенности применения: | |
| |
|
Дополнительные принадлежности: | |
| |
| |
|
Технические характеристики
|
Технические характеристики
Количество защищаемых пар
|
|
|
|
| |
2
|
DTB 2/6
|
DTB 2/12 |
DTB 2/T
| |
3
|
DTB 3/6
|
DTB 3/12
|
DTB 3/T
| |
4
|
DTB 4/6
|
DTB 4/12
|
DTB 4/T
| |
Номинальное рабочее напряжение, DC |
UO |
|
12 В
|
170 В | |
Макс. длительное рабочее напряжение, DC |
UC |
7.2 В |
14.4 В
|
204 В | |
|
IL |
|
100 мА
|
| |
С2 Максимальный разрядный ток (8/20) |
Imax |
|
10 кА
|
|
C2 Номинальный разрядный ток (8/20) |
In |
|
1 кА
|
1 кА | |
C2 Уровень напряжения защиты при In |
|
|
56 В
|
| |
С3 Уровень напряжения защиты при скорости нарастания 1кВ/мкс
|
|
9 В
|
27 В
|
290 В
| Макс. допустимая импульсная мощность, рассеиваемая TVS-диодами
|
Рppm |
| 600 Вт |
| |
|
tA |
|
< 30 нс
|
| |
Скорость передачи данных, не более
| |
|
1 Мбит/с
|
| |
Вносимое сопротивление на линию |
R |
| 1.5-10 Ом |
| |
Паразитная емкость |
С |
| 1.5 нФ |
| |
Рабочая температура |
υ |
-40...+80°C | -40... +80°C
|
-40... +80°C | |
Степень защиты в соответствии с ГОСТ 14254 |
|
IP20 |
IP20
|
IP20 | |
Монтаж |
| монтажная панель
| монтажная панель | монтажная панель | |
Cечение присоединяемых проводников |
|
| 0.25-1.5 мм² |
| |
Материал корпуса |
| Polyamide PA6 | Polyamide PA6 |
Polyamide PA6 | |
Цвет корпуса |
|
| серый |
| |
Категория в соответствии с ГОСТ IEC 61643-21
|
|
A2, B2, C2, C3, D1 | A2, B2, C2, C3, D1 |
A2, B2, C2, C3, D1 | |
Номер по каталогу |
|
|
|
| |
|
|
42 101
|
42 104
|
42 105
| |
|
|
43 101
|
43 104
|
43 105
| |
|
|
44 101
|
44 104
|
44 105
| |
 |  |  |
 |
 |