|  |
 |  | 

ГИС 1И 24/РВС Exi
|
| |
| УЗИП в тонком корпусе для установки на DIN-рейку 35 мм. Количество защищаемых пар проводников - 1. UО= 24 В DC. IL= 300 мА. Iimp(10/350)= 0.5 кА. Скорость передачи данных до 1 Мбит/с. Вид взрывозащиты - искробезопасная цепь.
| |
| |
УЗИП серии ГИС 1И 24/РВС Exi, ТУ 3428-002-79740390-2007 предназначены для защиты оборудования распределенных сетей аппаратуры промышленной автоматизации (АСУ ТП, АСКУЭ и др.) от импульсных перенапряжений (грозозащита, защита от электростатических разрядов и др.) поступающих со стороны искробезопасных цепей в пределах 1 - 2 зон молниезащиты в соответствии с ГОСТ Р МЭК 62305-1-2010.
УЗИП серии ГИС 1И 24/РВС Exi, ТУ 3428-002-79740390-2007 размещены в тонком пластмассовом корпусе для крепления на DIN-рейку 35 мм.
- Применяются во
взрывоопасных газовых средах взрывоопасных зон помещений и наружных установок
согласно маркировкам взрывозащиты 0Ex ia IIC T6 Ga X (в соответствии с ТР ТС 012/2011, ГОСТ 31610.0-2014, ГОСТ 31610.11-2014 и ГОСТ Р
МЭК 60079-25 – 2012).
- Конструкция
УЗИП предусматривает его эксплуатацию во
взрывоопасных зонах классов 1 – 2 при
установке в ЩЗИП®-ТМ-Ex с видом взрывозащиты «d».
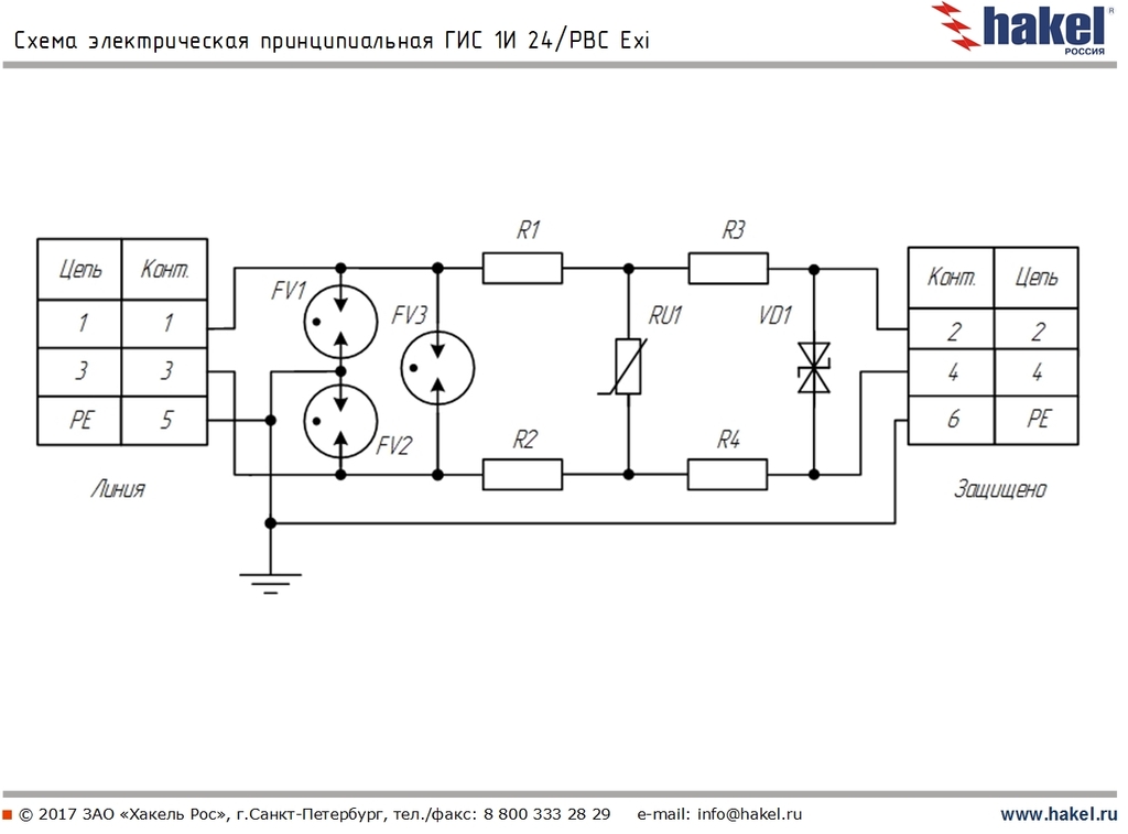
- Применена трёхкаскадная схема защиты: разрядник-варистор-супрессор (РВС).
- Количество защищаемых пар проводников - 1, подключение сигнальных проводников с помощью винтовых клемм до 4 мм².
- Выпускаются на номинальное рабочее напряжение UО= 24 В DC, максимальный ток IL= 300 мА.
- Скорость передачи данных до 1 Мбит/с. | |
| |
Обеспечение
взрывозащиты:
|
Взрывозащищенность
устройств серии ГИС 1И 24/РВС Exi
обеспечивается видом взрывозащиты "искробезопасность
«ia»" (для уровня
взрывозащиты Ga
электрооборудования
групп II) по ТР ТС 012/2011 (ГОСТ 31610.11-2014 «Взрывоопасные
среды. Часть 11. Искробезопасная электрическая цепь «i»,
а также выполнением требований ГОСТ 31610.0-2014 «Взрывоопасные среды.
Часть 0. Оборудование. Общие требования»), а именно:
- при испытании и
оценке цепей на искровое воспламенение использовался коэффициент безопасности
1.5;
- при оценке
температурного класса поверхности использовался коэффициент безопасности по
напряжению или току 1.0;
- оборудование,
отвечающее требованиям к разделениям табл. 5 ГОСТ 31610.11-2014, должно
быть снабжено оболочкой со степенью защиты IP20
в соответствии с условиями эксплуатации и требованиями МЭК 60529;
- изоляция между
искробезопасной цепью и корпусом или заземленными частями электрооборудования
должна выдерживать эффективное испытательное напряжение не менее 500 В;
- температура
нагрева наружной поверхности оболочки изделия не превышает допустимую для
температурного класса Т6 по
ГОСТ 31610.0-2014 с учетом максимальной температуры окружающей среды. | |
|
Структура наименования ГИС 1И 24/РВС Exi:
ГИС - устройство для защиты искробезопасных слаботочных цепей с номинальным током более 100 мА, размещено в тонком корпусе для крепления на DIN-рейку 35 мм;
1 - количество защищаемых пар проводников;
И - линия изолирована от защитной земли (РЕ);
24 - номинальное рабочее напряжение UО= 24 В DC;
РВС - трёхкаскадная схема защиты: разрядник-варистор-супрессор;
Exi - вид взрывозащиты - искробезопасная цепь.
Пример: ГИС 1И 24/РВС Exi - устройство для защиты оборудования слаботочных цепей с максимальным током IL= 300 мА, размещено в тонком корпусе для крепления на DIN-рейку 35 мм, количество
пар защищаемых проводников - 1, номинальное рабочее напряжение UО= 24 В DC, вид взрывозащиты - искробезопасная цепь, устройство сделано в России. | |
| |
| |
| |
| |
|
cертификат соответствия требованиям ТР ТС 012/2011 «О
безопасности оборудования для работы во взрывоопасных средах» |
cертификат соответствия требованиям ТР ТС 004/2011 «О
безопасности низковольтного оборудования»
|
сертификат соответствия системы менеджмента качества требованиям СТО Газпром 9001-2012 |
сертификат соответствия системы менеджмента качества требованиям ГОСТ Р ИСО 9001-2015 | сертификат соответствия системы менеджмента качества требованиям ГОСТ ISO 9001-2011 (ISO 9001:2015) | |
|
Теория и особенности применения: | |
| |
| |
Специальные условия
безопасного применения «Х»:
| |
Знак
«Х» в маркировке взрывозащиты ГИС 1И 24/РВС Exi указывает:
-
на необходимость его размещения в шкафах на DIN-рейку или внутри взрывозащищенного
электрооборудования;
-
подключаемые к УЗИП Eхia-исполнения внешние
электротехнические устройства должны иметь искробезопасные электрические цепи
по ГОСТ 31610.11-2014, а их искробезопасные параметры должны
соответствовать условиям применения УЗИП во взрывоопасной зоне.
| |
|
ГИС 1И 24/РВС Exi рекомендуется
размещать:
- во взрывоопасной зоне классов 1 и
2 для защиты оконечных полевых устройств, устанавливается в ЩЗИП®-ТМ-Ex с видом взрывозащиты «d».;
- во взрывобезопасной зоне для
защиты оборудования со стороны полевых устройств, устанавливается перед
искробезопасным барьером со стороны поля.
При проектировании трасс прокладки кабелей к защищаемому
оборудованию необходимо избегать совместных параллельных пробегов защищенного и
незащищенного участков кабеля, а так же защищенного кабеля и заземляющего
проводника.
Подключение устройств ГИС 1И 24/РВС Exi к шине
заземления осуществляется в соответствии с требованиями п. 12.2.4 ГОСТ МЭК
60079-14-2011: с помощью смонтированного на постоянной основе без разъемов
медного проводника сечением не менее 4 мм2, заземляющий проводник
должен иметь, по возможности, наименьшую длину (максимально 1 м).
Заземление
искробезопасных цепей должно быть
соединено в одной точке с системой уравнивания потенциалов, если она
проложена по всей взрывоопасной зоне, либо заземление должно осуществляться на
искрозащитном барьере во взрывобезопасной зоне. | |
|
Дополнительные принадлежности: | |
| |
| |
|
Технические характеристики:|
Технические характеристики
|
ГИС 1И 24/РВС Exi
| |
Количество защищаемых пар
|
1
| |
Маркировка взрывозащиты по ТР ТС 012/2011
|
0Ex ia IIC T6 Ga X
| |
Номинальное рабочее напряжение AC/DC, UО |
16/ 24 В | |
Макс. длительное рабочее напряжение AC/DC, UC(Ui) |
20/ 28 В | | Номинальный ток, IL (макс. ток искробезопасной цепи - Ii) |
300 мА | | Макс. входная мощность искробезопасной цепи - Pi | 0.68 Вт
| |
D1 Импульсный ток на линию (10/350), Iimp |
0.5 кА
|
С2 Номинальный разрядный ток на линию (8/20), In |
5 кА | |
С2 Уровень напряжения защиты линия-линия при I = 1 кА (8/20), Up |
< 60 В
|
С2 Уровень напряжения защиты линия-РЕ при I = 1 кА (8/20), Up |
< 800 В
|
С3 Уровень напряжения защиты линия-линия при 1 кВ/мкс, Up |
< 35 В
| |
С3 Уровень напряжения защиты линия-РЕ при 1 кВ/мкс, Up |
< 600 В
|
Время срабатывания, tA (линия-линия/линия-РЕ)
|
| |
Скорость передачи данных, не более
|
1 Мбит/с | |
Вносимое сопротивление, R |
6.6 Ом
| | Максимальная внутренняя индуктивность, Li | 1 мкГн
| | Максимальная внутренняя емкость (линия-линия), Ci | 5.1 нФ
| |
Сопротивление изоляции линия-земля
|
> 500 В
| Вид климатического исполнения по ГОСТ 15150-69
| У2.1**
| |
Рабочая температура |
-40...+80 °C | |
Степень защиты в соответствии с ГОСТ 14254-2015 |
IP20 | |
Монтаж |
DIN-рейка 35 мм | |
Cечение присоединяемых проводников |
| |
- информационные проводники
|
0.25-4.0 мм²
| - заземляющий проводник
|
4.0 мм²
| |
Момент затяжки винтовых клемм, Н*м |
0.4
| |
Материал корпуса |
Polyamide PA6 | |
Цвет корпуса |
серый | |
Категория в соответствии с ГОСТ IEC 61643-21
|
C2, C3, D1 | |
Масса
|
42 г
| |
Номер по каталогу |
404 060
|
 |  |  |
 |
 |