|  |
 |  | 

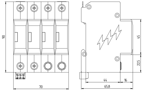
РВ12-*/12.5/4+0 С
|
Устройство РВ12-*/12,5/4+0 ** соответствует УЗИП классов испытаний I+II и применяется в низковольтных электрических сетях на границе 0А(В) - 1 зон молниезащиты (в соответствии с «Инструкцией по устройству молниезащиты зданий, сооружений и промышленных коммуникаций» СО–153-34.21.122-2003) при кабельном подземном или воздушном вводах электропитания в качестве I+II ступени защиты, в соответствии с: ГОСТ Р 50571-4-44-2011, ГОСТ Р 50571.5.53-2013, ГОСТ IEC 61643-11-2013. Uc=75/100, 150/200, 275/350, 320/420 В AC/DC; Iimp(10/350) = 12,5 кА.
РВ12-*/12,5/4+0 ** представляет собой четырёхполюсное УЗИП ограничивающего типа, предназначенное для защиты силовых цепей переменного и постоянного тока при кабельном или воздушном вводе электропитания в сетях с системами заземления типа TN-S.
Визуальный контроль рабочего состояния УЗИП проводится с помощью цветного индикатора - “флажка”, расположенного в окошках на лицевой части. В неисправном состоянии появляется «флажок»
красного цвета. Удалённый контроль осуществляется с помощью
дистанционной сигнализации - переключением «сухого» беспотенциального
контакта (модель с литерой «С» в наименовании).
Конструкция УЗИП не предусматривает его эксплуатацию в условиях воздействия агрессивных сред и во взрывоопасных помещениях.
Структура наименования РВ12-*/12,5/4+0 **
ГРОЗОСТОП® - торговая марка выпускаемых АО "Хакель" УЗИП;
РВ - серия УЗИП (Р)убеж ограничивающего типа на основе (В)аристора;
12 - класс испытаний УЗИП в соответствии с ГОСТ IEC 61643-11;
* - максимальное длительное рабочее напряжение системы, Uc AC;
12,5 - импульсный ток Iimp (10/350);
4+0 - четырехполюсное;
** - наличие дистанционной сигнализации рабочего состояния С.
Пример: РВ12-75/12,5/4+0 С - четырехполюсное УЗИП ограничивающего типа торговой марки ГРОЗОСТОП® производства
АО "Хакель" для защиты оборудования распределительных сетей до
1000 В, класса испытаний I+II в соответствии с ГОСТ IEC 61643-11; Uc=75 В АС, Iimp=12,5
кА. Для удаленного контроля рабочего состояния УЗИП
дополнительно снабжено “сухим” контактом дистанционной сигнализации.
| |
|
| |
Схемы:
| |
| |
| |
| |
| |
|
сертификат соответствия системы добровольной сертификации ИНТЕРГАЗСЕРТ
|
сертификат соответствия требованиям ТР ТС 004/2011 «О
безопасности низковольтного оборудования»
|
сертификат соответствия системы менеджмента качества требованиям СТО Газпром 9001-2012
|
сертификат соответствия системы менеджмента качества требованиям ГОСТ Р ИСО 9001-2015
|
сертификат соответствия системы менеджмента качества требованиям ISO 9001:2015
| |
|
Технические характеристики
|
Технические характеристики
|
РВ12-75/12.5/4+0 С
|
РВ12-150/12.5/4+0 С
|
|
РВ12-320/12.5/4+0 С
| |
РВ12-75/12.5/4+0 |
|
|
| |
Класс испытаний УЗИП в соответствии с ГОСТ IEC 61643-11
|
I+II |
I+II |
|
| |
Вид защиты |
L1/PE; L2/PE; L3/PE; N/PE |
L1/PE; L2/PE; L3/PE; N/PE |
L1/PE; L2/PE; L3/PE; N/PE |
L1/PE; L2/PE; L3/PE; N/PE | |
Род тока
|
переменный, 50 Гц / постоянный
|
переменный, 50 Гц / постоянный
|
переменный, 50 Гц / постоянный
|
переменный, 50 Гц / постоянный
| |
Номинальное напряжение системы АС/DC, U0
|
60 В / 78 В
|
125 В / 160 В
|
230 В / 300 В
|
265 В / 345 В
| |
Максимальное длительное рабочее напряжение АС/DC, UC | 75 В / 100 В | 150 В / 200 В | 275 В / 350 В | 320 В / 420 В |
Импульсный ток Iimp (10/350)
|
|
|
|
| |
|
|
6.25 A·с |
6.25 A·с |
6.25 A·с | Удельная энергия, W/R
|
|
|
|
| |
Номинальный разрядный ток, In (8/20) |
25 кA |
|
|
| Максимальный разрядный ток, Imax (8/20),
|
|
|
|
| |
Уровень напряжения защиты, Up |
|
|
|
| | ВПН, Ut |
91 В / 5 с |
182 В / 5 с |
|
| |
Время срабатывания, Ta
| < 25 нс |
< 25 нс |
< 25 нс | < 25 нс | Номинал защитного предохранителя
|
160 A gL/gG |
160 A gL/gG |
|
| |
Номинальный ток короткого замыкания
| 60 кАrms | 60 кАrms |
60 кАrms |
60 кАrms | |
Вид климатического исполнения по ГОСТ 15150-69
|
УХЛ2.1**
|
УХЛ2.1** |
УХЛ2.1** |
УХЛ2.1**
| |
Рабочая температура,
Tamb |
|
|
|
| |
Сечение подключаемых проводников |
одножил. до 25 мм² многожил. до 16 мм² |
одножил. до 25 мм² многожил. до 16 мм² |
одножил. до 25 мм² многожил. до 16 мм² |
одножил. до 25 мм² многожил. до 16 мм² | |
Момент затяжки, Н·м |
3 | 3 |
3 |
3 | |
Степень защиты по ГОСТ 14254-2015
|
IP20
|
IP20
|
IP20
|
IP20
| |
Монтаж
| рейка DIN 35 мм | рейка DIN 35 мм |
рейка DIN 35 мм |
рейка DIN 35 мм | |
Материал корпуса
|
Polyamide PA6,
UL94 V-0
|
Polyamide PA6,
UL94 V-0
|
Polyamide PA6,
UL94 V-0
|
Polyamide PA6,
UL94 V-0
| |
Срок службы
| Не менее 10 лет
|
Не менее 10 лет |
Не менее 10 лет |
Не менее 10 лет | |
Масса, не более
| 530 г
| 530 г |
530 г | 530 г | Контакты дистанционной сигнализации
| Максимальный коммутируемый ток, AC/DC
| 0.5 A / 0.1 А
| 0.5 A / 0.1 А
| 0.5 A / 0.1 А
| 0.5 A / 0.1 А
| |
Максимальное коммутируемое напряжение, AC/DC
|
250 В / 250 В
|
250 В / 250 В
|
250 В / 250 В
|
250 В / 250 В
| |
Сечение подключаемых проводников
|
до 2.5 мм²
|
до 2.5 мм²
|
до 2.5 мм²
|
до 2.5 мм²
| |
Момент затяжки, Н·м |
0.4
|
0.4
|
0.4
|
0.4
| |
Номер по каталогу "С"
|
120 060 |
120 072 |
120 084 |
120 223 | |
Без сигнализации
|
120 059 |
120 071 | 120 083 |
120 222 |
 |  |  |
 |
 |