 |  | 

ГСК123-230/25 1+1 С, ГСК123-60/25 1+1 С
|
| |
| |
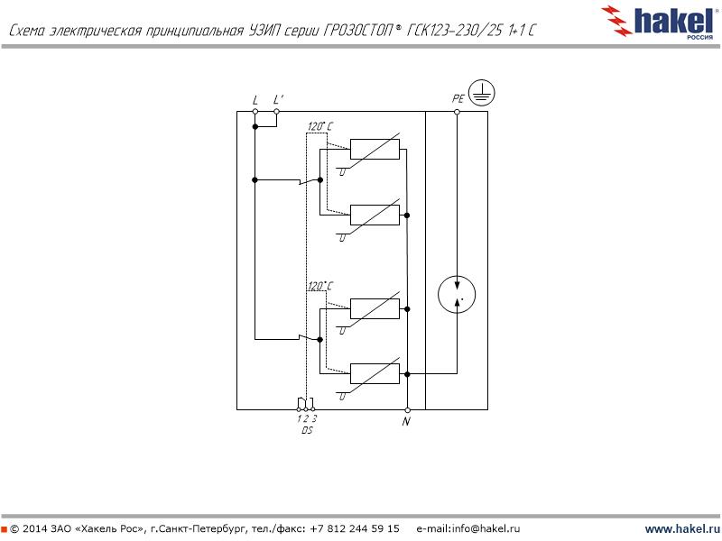
Двухполюсные УЗИП класса испытаний I,II,III комбинированного типа для сетей с системой заземления типа TN-S, TT. U0 = 60/78, 230/300 В AC/DC . Iimp(L/N) (10/350)= 25 кА, Iimp(N/PE)(10/350)= 50 кА. Выполнены по схеме для защиты от поперечных перенапряжений в цепях "провод - провод". | |
| |
Устройства серии ГРОЗОСТОП® ГСК123-*/25 1+1 С по способности
выдерживать токовые нагрузки соответствует УЗИП класса испытаний I, согласно ГОСТ IEC 61643-11, а по ограничению переходных напряжений допустимых для
оборудования Up – УЗИП класса испытаний II и III. Устанавливаются в пределах 0А(В) - 1 зон молниезащиты (в соответствии с ГОСТ Р МЭК 62305-1 и СО-153-34.21.122).
Предназначены для защиты оборудования в низковольтных силовых
распределительных системах до 1000 В при воздушном или кабельном вводе
электропитания.
ГРОЗОСТОП® ГСК123-*/25 1+1 С, ТУ 3428-002-79740390-2007 – серия двухполюсных УЗИП класса испытаний I, II, III на основе оксидно-цинковых варисторов и газонаполненного разрядника.
• Компактное и экономичное
решение, исключающее необходимость применять импульсные разделительные
дроссели между ступенями защиты. • Не требуют установки УЗИП дополнительных ступеней защиты при расстоянии до защищаемого оборудования по кабелю не более 5 м.
• Выпускаются на номинальное рабочее напряжение 60/78, 230/300 В AC/DC.
• Выполнены по схеме для защиты от поперечныхных перенапряжений в цепях "провод - земля".
• Способны отводить импульсы тока Iimp(L/N) (10/350)= 25 кА, Iimp(N/PE)(10/350)= 50 кА.
• Обеспечивают уровень напряжения защиты при Uoc Up < 250, 900 В.
• Варисторные секции
снабжены терморасцепителями. В исправном состоянии индикатор исправного
состояния утоплен, в неисправном - выдвинут.
• Для удаленного контроля ГРОЗОСТОП® ГСВ123-230/25 1+1 С дополнительно cнабжены “сухими” контактами дистанционной сигнализации.
| |
|
| |
Структура наименования ГРОЗОСТОП® ГСК123-*/25 1+1 С:
ГРОЗОСТОП® - торговая марка выпускаемых АО "Хакель" УЗИП;
ГСК - серия устройств для защиты оборудования распределительных сетей до 1000 В комбинированного типа;
123 - класс испытаний УЗИП в соответствии с ГОСТ IEC 61643-11;
* - номинальное напряжение системы, Uо AC;
** - импульсный ток, Iimp(L/N)(10/350);
1+1 - количество полюсов и схема подключения УЗИП;
C - наличие дистанционной сигнализации рабочего состояния.
Пример: ГРОЗОСТОП® ГСК123-230/25 1+1 С - УЗИП производства АО "Хакель" для защиты оборудования распределительных сетей до 1000 В ограничивающего типа, УЗИП класса испытаний I, II, III в соответствии с ГОСТ IEC 61643-11, Uо=230 В АС, Iimp(L/N)(10/350)=25 кА, два полюса, схема включения для защиты от поперечных перенапряжений. Для удаленного контроля рабочего состояния УЗИП дополнительно cнабжены “сухими” контактами дистанционной сигнализации. | | | |
| |
| |
| |
| |
| |
|
сертификат соответствия системы добровольной сертификации ИНТЕРГАЗСЕРТ (для серии (LT))
|
сертификат соответствия требованиям ТР ТС 004/2011 «О
безопасности низковольтного оборудования»
|
сертификат соответствия системы менеджмента качества требованиям СТО Газпром 9001-2012
|
сертификат соответствия системы менеджмента качества требованиям ГОСТ Р ИСО 9001-2015
|
сертификат соответствия системы менеджмента качества требованиям ISO 9001:2015
| |
| |
|
Теория и особенности применения: | |
|
|
|
|
Дополнительные принадлежности: | |
| |
| |
|
Технические характеристики:
|
Технические характеристики
|
ГСК123-60/25 1+1 С
|
ГСК123-230/25 1+1 С
| |
|
ГСК123-60/25 1+1
|
ГСК123-230/25 1+1 | |
Количество полюсов
|
2
|
2
| |
Класс испытаний УЗИП по ГОСТ IEC 61643-11
|
I, II, III
|
I, II, III
| |
Вид защиты |
L/N, N/PE
|
| |
Номинальное напряжение системы L/N, UO
|
60/78 B AC/DC
| 230 В/300 B AC/DC
| |
Максимальное длительное рабочее напряжение L/N , UC |
75/100 В АС/DC
|
| |
Максимальное длительное рабочее напряжение N/PE , UC
|
255 B
|
255 B
| |
Импульсный ток L/N, Iimp(10/350)
|
25 кА
|
25 кА
| |
Импульсный ток N/PE, Iimp(10/350)
|
50 кА
|
50 кА
| |
Коммутируемый заряд L/N, Q
|
12.5 A×с
|
12.5 A×с
| |
Коммутируемый заряд N/PE, Q
|
25 A×с
|
25 A×с
| |
Удельная энергия L/N, W/R
|
156 кДж/Ом
|
156 кДж/Ом
| |
Удельная энергия N/PE, W/R
|
625 кДж/Ом
|
625 кДж/Ом
| |
Суммарный импульсный ток ITotal(10/350) |
50 кА
|
50 кА
|
Максимальный разрядный ток, Imax(8/20) |
50 кА
|
|
Номинальный разрядный ток L/N, In(8/20) |
25 кА
|
25 кА | |
Номинальный разрядный ток N/PE, In(8/20)
|
50 кА
|
50 кА
| |
Испытательный импульс L/N, Uoc(1,2/50)
|
20 кВ
|
20 кВ
| |
Испытательный импульс N/PE, Uoc(1,2/50)
|
6 кВ
| 6 кВ | |
Уровень напряжения защиты L/N при Iimp, Up
|
< 550 В
|
<1.2 кВ
| |
Уровень напряжения защиты L/N при Uoc, Up
|
< 250 В
|
< 900 В
| |
Временное перенапряжение L/N, UT |
87 В/ 5 с
|
| |
Временное перенапряжение N/PE, UT
|
1200 В/0.2 с
|
1200 В/0.2 с
| |
Номинал защитного предохранителя |
315 A gG
|
| |
Номинал защитного предохранителя при "V" - соединении
|
125 A gG
|
125 A gG
| |
Номинальный ток короткого замыкания, ISCCR |
80 кА
|
| Вид климатического исполнения по ГОСТ 15150-69
|
У2.1**
| У2.1**
| |
Рабочая температура
|
-40...+80°C
|
-40...+80°C | |
Время срабатывания L/N, tA |
< 25 нс
|
< 25 нс | |
Время срабатывания N/PE, tA
|
< 100 нс
|
< 100 нс
| |
Степень защиты по ГОСТ 14254-2015 |
IP20
|
IP20 | |
Монтаж |
DIN-рейка 35 мм
| DIN-рейка 35 мм | |
Cечение присоединяемых проводников, макс. значения
|
50 мм²
|
50 мм²
| |
Материал корпуса |
Polyamide PA6
|
Polyamide PA6 | |
Cрок эксплуатации |
не менее 10 лет
| не менее 10 лет | |
Контакты дистанционной сигнализации для моделей с С
|
|
| |
- электрическая прочность |
3.75 кВ
| 3.75 кВ | |
- сопротивление изоляции |
2 x 107 Ом
|
2 x 107 Ом | |
- макс. коммутируемый ток |
~ 0,5 A
| ~ 0,5 A | |
- макс. коммутируемое напряжение |
~ 250 В
|
~ 250 В | |
Масса |
382 г
|
| |
Номер по каталогу |
123 051
|
123 004 | |
|
123 050
|
123 005 | |
|
|
Серия УЗИП с индексом (LT) сертифицирована в системе добровольной
сертификации ИНТЕРГАЗСЕРТ ПАО «Газпром» по схеме 1d. Данные устройства испытаны на соответствие техническим регламентам ПАО «Газпром» и периодически подвергаются
тестированию и инспекционному контролю независимых экспертов.
УЗИП с
индексом (LT) предназначены для эксплуатации в микроклиматических
районах с диапазоном температур от -60°С до +80°С и на них
распространяется увеличенный гарантийный срок эксплуатации до 5 лет.
|
|
|
Технические характеристики |
ГСК123-60/25 1+1 С (LT)
|
| |
|
ГСК123-60/25 1+1 (LT)
|
| |
Рабочая температура |
-60...+80 °C
|
| |
Гарантийный срок эксплуатации, год |
5
| 5 | |
Номер по каталогу |
123 151
|
123 104 | |
|
123 150
|
123 105 |
 |  |  |