 |  | 

HIS 71 F
|
| |
Прибор HIS 71 F предназначен для непрерывного автоматического мониторинга контроля сопротивления изоляции фазных проводников относительно шины PE в IT-сетях с преобразователями частоты.
| |
|
HIS 71 F, ТУ 4220-004-79740390-2009 – прибор для контроля сопротивления изоляции фазных проводников относительно шины PE в IT-сетях с преобразователями частоты.
-
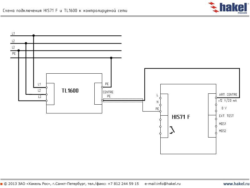
Напряжение контролируемой сети до 3х1600 В AC (с дросселем TL1600).
-
Частота контролируемой сети f=1-600 Гц.
-
Напряжения питания 230 В AC, + 10%, - 15%, сеть типа TN-S.
- Прибор размещен в пластмассовом корпусе двухмодульного размера (2M), устанавливаемом на 35 мм DIN-рейку.
- Значение Rcrit = 30-180 кОм устанавливается с помощью потенциометра размещенного на лицевой панели прибора.
- Проводники максимальным сечением 1,5 мм² подключаются к устройству с помощью клеммных зажимов, расположенных на корпусе устройства.
| |
В том случае, если контролируемое сопротивление
изоляции снижается ниже установленного значения (Rcrit)
происходит переключение "сухого" контакта на клеммах прибора HIS и
одновременно загорается красный индикатор на лицевой панели прибора. В
нормальном режиме, когда сопротивление изоляции выше Rcrit, горит
зеленый индикатор и "сухой" контакт находится в разомкнутом состоянии.
| |
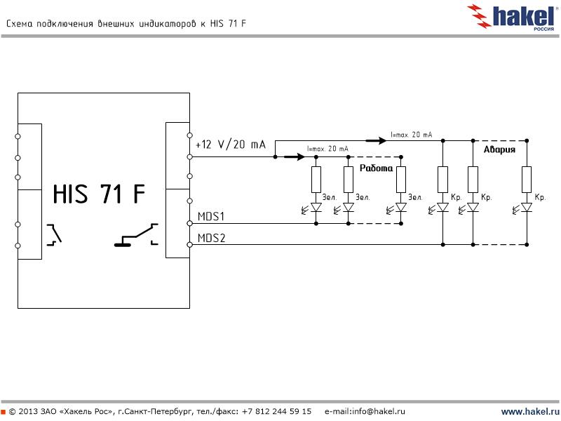
Клеммы РЕ и ART.CENTRE является входными клеммами прибора контроля изоляции. В приборах предусмотрен внутренний
контроль работы с помощью кнопки TEST и внешний контроль с
использованием клеммы EXT.TEST. Внешняя кнопка TEST, которая может быть
размещена на специальном пульте или на удаленном модуле MDS 10,
подключается к клеммам EXT. TEST и +12V/20мA устройства.
| |
Устройство HIS 71 F имеет два исполнительных выхода. Первый выход- "сухой" контакт
(250 В АС и ток 2 А) который в нормальном состоянии находится в
разомкнутом состоянии, а при снижении сопротивления изоляции ниже
значения Rcrit замыкается. Второй выход – переключающийся контакт CMOS
(30 В DC и ток 20 мА), предназначенный для подключения удаленных модулей
контроля. Эти контакты выведены на клеммы MDS1 и MDS2. | |
| |
| |
| |
| |
| |
| |
| |
| |
|
Декларация о
соответствии ЕАЭС № RU Д-RU.МЛ02.В.00086/20 Приборов контроля изоляции
серии HIS и аксессуаров к ним, серий : TL, MDS, TOM, TAR, ZJ требованиям Технического регламента Таможенного союза ТР ТС 004/2011 "О
безопасности низковольтного оборудования" и Технического регламента Таможенного союза ТР ТС 020/2011 "Электромагнитная совместимость технических средств". | |
|
Теория и особенности применения: |
Точная установка значения величины контролируемого сопротивления изоляции Rcrit. Регулятор, размещенный на лицевой панели
прибора HIS, позволяет устанавливать значения контролируемого
сопротивления изоляции Rcrit с точностью около 20 %. Если требуется установить сопротивление с большей точностью, то необходимо подключить
калибровочное сопротивление к клеммам CENTRE и PE, предварительно
отключив прибор от контролируемой сети. Величина этого сопротивления
должно соответствовать требуемому значению Rcrit. При этом регулятор на
лицевой панели необходимо повернуть в крайнее левое положение и затем
медленно вращать вправо. Когда загорится красный индикатор FAILURE
остановить процесс настройки и подключить устройство к контролируемой
сети, отключив от него калибровочное сопротивление, при этом должен
загореться зеленый индикатор. | |
|
Технические характеристики
Технические характеристки |
|
| |
Напряжение питания |
UN |
230 В AC, + 10%, - 15% | |
Напряжение контролируемой сети
|
|
до 3х1600 В AC (с дросселем TL1600)
| |
Частота контролируемой сети
|
f
|
1-600 Гц
| |
Напряжение оперативного тока |
UM |
24 В DC от внутреннего источника | |
|
IM |
| |
Потребляемая мощность |
P
| <2,6 BA
| |
Регулируемая уставка сопротивления изоляции
|
RCRIT |
30-180 кОм | |
|
H |
25% от значения уставки RCRIT | |
Рекомендуемый номинал предохранителя
|
|
30 мА
|
Степень защиты в соответствии с ГОСТ 14254 |
|
| |
Масса |
|
| |
|
|
| | Монтаж |
|
| |
Cечение присоединяемых проводников | |
| |
Допустимая вибрация по IEC 654-3, гр.N2 |
|
10 - 55 Гц, амплитудой 0,35 мм | |
Исполнительные контакты |
|
1 - "сухой" контакт, 1 - C-MOS | |
Параметры "сухого" контакта |
|
сопротивление изоляции - 2 х 107 Ом
макс. коммутируемый ток - 2 А
макс.коммутируемое напряжение - ~ 250 В | |
Параметры C-MOS контакта |
|
макс. коммутируемый ток - 20 мА
макс.коммутируемое напряжение - 30 В DC | |
Cечение присоединяемых проводников |
|
| |
Материал корпуса |
|
Polyamide PA6 | |
Цвет корпуса |
| зеленый
| |
Каталожный номер
|
|
70 091
|
 |  |  |