|  |
 |  | 

DTR */485/6, DTR */485/12
|
| |
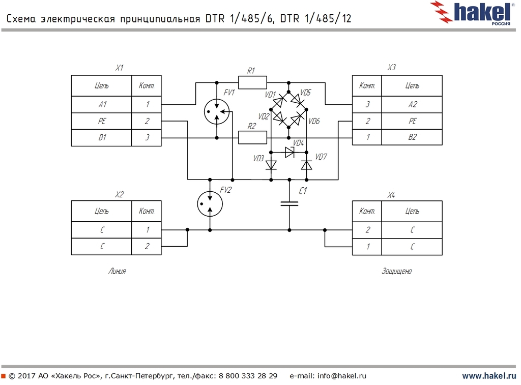
| | УЗИП в корпусе для установки на DIN-рейку 35 мм. Количество защищаемых пар проводников 1-2. UO= 6, 12 В DC. IL= 250 мА. In (8/20)= 20 кА. В УЗИП применяются TVS-диоды с Рppm=1500 Вт. Скорость передачи данных до 10 Мбит/с. Предназначены для защиты линий последовательного интерфейса RS-485. Возможно подключение экрана
кабеля через шунтирующую емкость и газонаполненный разрядник. | | | |
УЗИП серий DTR */485/**, ТУ
3428-002-79740390-2007 предназначены для защиты линий последовательного
интерфейса RS-485 со скоростью передачи данных до 10 Мбит/с от импульсных
перенапряжений (грозозащита, защита от электростатических разрядов и
др.) в пределах 0В - 1 зон молниезащиты в соответствии с ГОСТ Р МЭК
62305-1-2010.
УЗИП серии DTR */485/**, ТУ 3428-002-79740390-2007 размещены в корпусе для установки на DIN-рейку 35 мм.
- Первая ступень защиты выполнена на газонаполненных разрядниках с In (8/20)= 20 кА, вторая на TVS-диодах с Рppm=1500 Вт.
- Количество защищаемых пар проводников 1-2, подключение с помощью винтовых клемм 4.0 мм².
- Выпускаются на номинальное рабочее напряжение UO= 6, 12 В DC, номинальный ток IL=250 мА.
- Скорость передачи данных до 10 Мбит/с.
- Возможно подключение экрана кабеля к системе уравнивания
потенциалов через шунтирующую емкость и газонаполненный разрядник. | |
|
Структура наименования DTR */485/**:
DTR - устройство для защиты оборудования слаботочных цепей с номинальным током IL=250 мА, размещено в корпусе для крепления на DIN-рейку 35 мм;
* - количество защищаемых пар проводников - 1, 2;
485 - устройство для защиты оборудования от заноса высокого потенциала со стороны интерфейса RS-485, со скоростью передачи данных 10 Мбит/с.
** - номинальное рабочее напряжение UО = 6, 12 В DC.
Пример: DTR 2/485/6 - УЗИП производства АО "Хакель" для защиты оборудования слаботочных цепей, размещено в корпусе для крепления на DIN-рейку 35 мм, количество пар защищаемых проводников - 2, номинальное рабочее напряжение UO= 6 В DC, номинальный ток IL=250 мА, скорость передачи данных до 10 Мбит/с, первая ступень защиты выполнена на газонаполненных разрядниках с In (8/20)= 20 кА, вторая ступень защиты выполнена на TVS-диодах с Рppm=1500 Вт. Применяются для защиты оборудования от заноса высокого потенциала со стороны линий RS-485. | |
| |
| |
| |
| |
|
| | Сертификаты: |
сертификат соответствия системы добровольной сертификации ИНТЕРГАЗСЕРТ (для серии (LT))
|
сертификат соответствия требованиям ТР ТС 004/2011 «О
безопасности низковольтного оборудования»
|
сертификат соответствия системы менеджмента качества требованиям СТО Газпром 9001-2012 |
сертификат соответствия системы менеджмента качества требованиям ГОСТ Р ИСО 9001-2015 | сертификат соответствия системы менеджмента качества требованиям ГОСТ ISO 9001-2011 (ISO 9001:2015) |
| |
|
Теория и особенности применения: | |
| |
| | |
Дополнительные принадлежности: | |
| клеммная коробка HAKELBOX-6-S
| |
|
Технические характеристики:
|
Технические характеристики
|
|
DTR 1/485/6
|
DTR 2/485/6
|
DTR 1/485/12
|
DTR 2/485/12
| |
Количество защищаемых пар
|
|
1
|
2
|
1
|
2
| |
Номинальное рабочее напряжение, DC/AC |
UO |
6 В/ 4 В |
|
|
12 В/ 9 В | |
Макс. длительное рабочее напряжение, DC/AC |
UC |
7 В/ 5 В |
7 В/ 5 В
|
13.5 В/ 11 В
|
13.5 В/ 11 В
| |
|
IL |
250 мА |
|
|
| |
D1 Импульсный ток (10/350) линия+линия/PE,
линия/PE |
|
2.5 кА |
2.5 кА |
|
|
С2 Номинальный разрядный ток (8/20) |
In |
20 кА |
|
|
20 кА |
Уровень напряжения защиты при I= 1 ка (8/20):
линия-линия, линия-РЕ,
экран-РЕ
|
|
|
< 20 В < 500 В |
< 30 В < 500 В |
< 30 В < 500 В | |
Уровень напряжения защиты при 1 кВ/мкс, С3:
линия-линия, линия-РЕ,
экран-РЕ |
|
< 50 В
< 370 В
|
< 50 В < 370 В
|
< 70 В < 370 В |
< 70 В < 370 В | |
Макс. допустимая импульсная мощность рассеиваемая TVS-диодами |
Рppm |
|
|
|
|
Время срабатывания:
линия-линия, линия-РЕ;
экран-РЕ
|
tA |
|
< 1 нc
< 100 нc |
< 1 нc
< 100 нc |
< 1 нc
< 100 нc | |
Скорость передачи данных, не более
| |
10 Мбит/с |
|
|
| |
Вносимое сопротивление в проводник
|
R |
1.5 Ом |
|
|
| |
Паразитная емкость в линию
|
С |
1.5 нФ |
|
|
| Вид климатического исполнения по ГОСТ 15150-69
|
| У2.1**
| У2.1**
| У2.1**
| У2.1**
| |
Рабочая температура |
|
-40...+80°C |
-40...+80°C
|
-40...+80°C
|
-40...+80°C
| |
Степень защиты в соответствии с ГОСТ 14254 |
|
IP20 |
IP20 |
IP20 |
IP20 | |
Монтаж |
|
DIN-рейка 35 мм |
DIN-рейка 35 мм | DIN-рейка 35 мм | DIN-рейка 35 мм | |
Cечение присоединяемых проводников |
|
0.25-4.0 мм² |
|
|
| |
Материал корпуса |
|
Polyamide PA6 |
Polyamide PA6 | Polyamide PA6 |
Polyamide PA6 | |
Цвет корпуса |
|
серый |
|
|
| |
Категория в соответствии с ГОСТ IEC 61643-21
|
|
C2, C3, D1 |
C2, C3, D1 |
C2, C3, D1 |
C2, C3, D1 | |
Масса |
|
70 г |
|
|
| |
Номер по каталогу |
|
400 702 |
400 703 |
400 704 |
400 705 |
|
|
Серия УЗИП с индексом (LT) сертифицирована в системе добровольной
сертификации ИНТЕРГАЗСЕРТ ПАО «Газпром» по схеме 1d. Данные устройства испытаны на соответствие техническим регламентам ПАО «Газпром» и периодически подвергаются
тестированию и инспекционному контролю независимых экспертов.
УЗИП с
индексом (LT) предназначены для эксплуатации в микроклиматических
районах с диапазоном температур от -60°С до +80°С и на них
распространяется увеличенный гарантийный срок эксплуатации до 5 лет.
|
|
|
Технические характеристики
|
|
DTR 1/485/6 (LT)
|
DTR 2/485/6 (LT)
|
DTR 1/485/12 (LT)
|
DTR 2/485/12 (LT)
| |
Рабочая температура |
|
-60...+80°C |
-60...+80°C
|
-60...+80°C
|
-60...+80°C
| |
Гарантийный срок эксплуатации, год |
|
5 |
|
|
| |
Номер по каталогу |
|
400 706 |
400 707 |
400 708 |
400 709 |
 |  |  |
 |
 |