 |  | 

РК2 3+1 С
|
| |
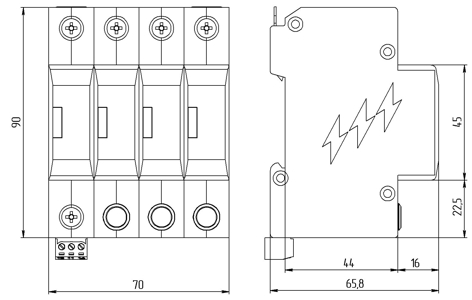
РК2-*/**/3+1 ***, ТУ 3428-002-79740390-2007 – трехфазные УЗИП класса II комбинированного типа на основе оксидно-цинковых варисторов и газонаполненного разрядника.
- Предназначены для защиты фазных и нулевого проводников L/N, N/PE.
- Выпускаются на максимальное длительное рабочее напряжение Uc = 75, 150, 275, 320, 385, 440 В AC.
- Способны отводить импульсы тока Imax(8/20) = 40, 50 кА.
- Применяются в сетях с системами заземления типа TN-S и TT.
- Для удаленного контроля РК2-*/**/3+1 С дополнительно снабжены “сухими” контактами дистанционной сигнализации.
Визуальный контроль рабочего состояния УЗИП проводится с помощью индикатора - “флажка”, расположенного в окошке на лицевой части. При неисправном состоянии УЗИП в окошке появляется «флажок» красного цвета.
Структура наименования РК2-*/**/3+1 ***
ГРОЗОСТОП® - торговая марка выпускаемых АО "Хакель" УЗИП;
РК - УЗИП серии РУБЕЖ комбинированного типа;
2 - класс испытаний УЗИП в соответствии с ГОСТ IEC 61643-11;
* - максимальное длительное рабочее напряжение системы, Uc AC;
** - максимальный разрядный ток Imax (8/20);
3+1 - четырехполюсное на основе варисторов и газонаполненного разрядника;
*** - наличие дистанционной сигнализации рабочего состояния С.
| |
Пример: РК2-75/40/3+1 С - четырехполюсное УЗИП комбинированного типа серии РУБЕЖ производства
АО "Хакель" для защиты оборудования распределительных сетей до
1000 В, класса испытаний II в соответствии с ГОСТ IEC 61643-11; Uc = 75 В АС, Imax = 40 кА. Для удаленного контроля рабочего состояния УЗИП дополнительно снабжено “сухим” контактом дистанционной сигнализации.
| |
|
| |
Схемы:
| |
| |
| схема подключения РK2 3+1 С для сетей с системой заземления типа TN-S
| |
| |
|
сертификат соответствия системы добровольной сертификации ИНТЕРГАЗСЕРТ
|
сертификат соответствия требованиям ТР ТС 004/2011 «О
безопасности низковольтного оборудования»
|
сертификат соответствия системы менеджмента качества требованиям СТО Газпром 9001-2012
|
сертификат соответствия системы менеджмента качества требованиям ГОСТ Р ИСО 9001-2015
|
сертификат соответствия системы менеджмента качества требованиям ISO 9001:2015
| |
|
Технические характеристики РК2-75/40/3+1 С, РК2-150/40/3+1 С, РК2-275/50/3+1 С, РК2-320/50/3+1 С
|
Технические характеристики
|
РК2-75/40/3+1 С
|
РК2-150/40/3+1 С
|
|
РК2-320/50/3+1 С
| |
РК2-75/40/3+1
|
|
|
| |
Класс испытаний УЗИП по
ГОСТ IEC 61643-11
|
II |
II |
|
| |
Вид защиты |
L1/N, L2/N, L3/N, N/PE |
|
|
| |
Род тока
|
переменный, 50 Гц
|
переменный, 50 Гц
|
переменный, 50 Гц
|
переменный, 50 Гц
| |
Номинальное напряжение системы АС, U0
|
60 В
|
125 В
|
230 В
|
265 В
| |
Максимальное длительное рабочее напряжение АС, UC | 75 В | 150 В | 275 В
| 320 В
| |
Номинальный разрядный ток – L/N, In (8/20)
|
15 кА
|
15 кА
|
20 кА
|
20 кА
|
Максимальный разрядный ток – L/N, Imax (8/20)
|
|
|
|
|
Номинальный разрядный ток – N/PE, In (8/20)
|
25 кА
|
25 кА
|
25 кА
|
25 кА
| |
Уровень напряжения защиты – L/N, Up |
|
|
|
| |
Уровень напряжения защиты – N/PE, Up |
< 1.3 кВ |
< 1.3 кВ
|
< 1.3 кВ
|
< 1.3 кВ
| | Временное перенапряжение (ВПН) – L/N, Ut |
91 В / 5 с |
182 В / 5 с |
|
| |
Временное перенапряжение (ВПН) - N/PE Ut
|
1200 В / 0.2 с |
1200 В / 0.2 с
|
1200 В / 0.2 с
|
1200 В / 0.2 с
| |
Время срабатывания – L/N, Ta
| < 25 нс |
< 25 нс |
< 25 нс | < 25 нс | |
Время срабатывания – N/PE, Ta
|
< 100 нс
|
< 100 нс
|
< 100 нс
|
< 100 нс
| Номинал защитного предохранителя
|
160 A gL/gG |
160 A gL/gG |
|
| |
Номинальный ток короткого замыкания
| 60 кАrms | 60 кАrms |
60 кАrms |
60 кАrms | |
Вид климатического исполнения по
ГОСТ 15150-69
|
УХЛ2.1**
|
УХЛ2.1** |
УХЛ2.1** |
УХЛ2.1**
| |
Рабочая температура,
Tamb |
|
|
|
| |
Сечение подключаемых проводников |
одножил. до 25 мм² многожил. до 16 мм² |
одножил. до 25 мм² многожил. до 16 мм² |
одножил. до 25 мм² многожил. до 16 мм² |
одножил. до 25 мм² многожил. до 16 мм² | |
Момент затяжки, Н·м |
3 | 3 |
3 |
3 | |
Степень защиты по
ГОСТ 14254-2015
|
IP20
|
IP20
|
IP20
|
IP20
| |
Монтаж
| рейка DIN 35 мм | рейка DIN 35 мм |
рейка DIN 35 мм |
рейка DIN 35 мм | |
Материал корпуса
|
Polyamide PA6,
UL94 V-0
|
Polyamide PA6,
UL94 V-0
|
Polyamide PA6,
UL94 V-0
|
Polyamide PA6,
UL94 V-0
| |
Срок службы
| Не менее 10 лет
|
Не менее 10 лет |
Не менее 10 лет |
Не менее 10 лет | |
Масса, не более
| 324 г
| 333 г |
345 г | 363 г | |
Контакты дистанционной сигнализации:
| Максимальный коммутируемый ток, AC/DC
| 0.5 A / 0.1 А
| 0.5 A / 0.1 А
| 0.5 A / 0.1 А
| 0.5 A / 0.1 А
| |
Максимальное коммутируемое напряжение, AC/DC
|
250 В / 250 В
|
250 В / 250 В
|
250 В / 250 В
|
250 В / 250 В
| |
Сечение подключаемых проводников
|
до 2.5 мм²
|
до 2,5 мм²
|
до 2.5 мм²
|
до 2.5 мм²
| |
Момент затяжки, Н·м |
0.4
|
0.4
|
0.4
|
0.4
| |
Номер по каталогу "С"
|
200 224 |
200 236 |
200 248 |
200 260 | |
Без сигнализации
|
200 223 |
200 235 | 200 247 |
200 259 |
Технические характеристики РК2-385/40/3+1 С, РК2-440/40/3+1 С
|
Технические характеристики
|
РК2-385/40/3+1 С
|
РК2-440/40/3+1 С
|
|
| |
РК2-385/40/3+1
|
|
|
| |
Класс испытаний УЗИП по
ГОСТ IEC 61643-11
|
II |
II |
|
| |
Вид защиты |
|
|
|
| |
Род тока
|
переменный, 50 Гц / постоянный
|
переменный, 50 Гц / постоянный
|
|
| |
Номинальное напряжение системы АС, U0
|
320 В
|
365 В
|
|
| |
Максимальное длительное рабочее напряжение АС, UC | 385 В
| 440 В
|
|
| |
Номинальный разрядный ток – L/N, In (8/20)
|
15 кА
|
15 кА
|
|
|
Максимальный разрядный ток – L/N, Imax (8/20)
|
|
|
|
|
Номинальный разрядный ток – N/PE, In (8/20)
|
25 кА
|
25 кА
|
|
| |
Уровень напряжения защиты – L/N, Up |
|
|
|
| |
Уровень напряжения защиты – N/PE, Up |
< 1.3 кВ |
< 1.3 кВ
|
|
| | Временное перенапряжение (ВПН) – L/N, Ut |
466 В / 5 с |
580 В / 5 с |
|
| |
Временное перенапряжение (ВПН) – N/PE Ut
|
1200 В / 0.2 с |
1200 В / 0.2 с
|
|
| |
Время срабатывания – L/N, Ta
| < 25 нс |
< 25 нс |
|
| |
Время срабатывания – N/PE, Ta
|
< 100 нс
|
< 100 нс
|
|
| Номинал защитного предохранителя
|
160 A gL/gG |
160 A gL/gG |
|
| |
Номинальный ток короткого замыкания
| 60 кАrms | 60 кАrms |
|
| |
Вид климатического исполнения по
ГОСТ 15150-69
|
УХЛ2.1**
|
УХЛ2.1** |
|
| | Диапазон температур |
|
|
|
| |
Рабочая температура, Tamb |
|
|
|
| |
Сечение подключаемых проводников |
одножил. до 25 мм² многожил. до 16 мм² |
одножил. до 25 мм² многожил. до 16 мм² |
|
| |
Момент затяжки, Н·м |
3 | 3 |
|
| |
Степень защиты по
ГОСТ 14254-2015
|
IP20
|
IP20
|
|
| |
Монтаж
| рейка DIN 35 мм | рейка DIN 35 мм |
|
| |
Материал корпуса
|
Polyamide PA6,
UL94 V-0
|
Polyamide PA6,
UL94 V-0
|
|
| |
Срок службы
| Не менее 10 лет
|
Не менее 10 лет |
|
| |
Масса, не более
| 372 г
| 384 г |
|
| |
Контакты дистанционной сигнализации:
| Максимальный коммутируемый ток, AC/DC
| 0.5 A / 0.1 А
| 0.5 A / 0.1 А
|
|
| |
Максимальное коммутируемое напряжение, AC/DC
|
250 В / 250 В
|
250 В / 250 В
|
|
| |
Сечение подключаемых проводников
|
до 2.5 мм²
|
до 2.5 мм²
|
|
| |
Момент затяжки, Н·м |
0.4
|
0.4
|
|
| |
Номер по каталогу "С"
|
200 272 |
200 284 |
|
| |
Без сигнализации
|
200 271 |
200 283 |
|
|
 |  |  |