|  |
 |  | 

РВМ2 4+0 C
|
| |
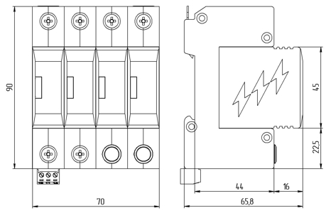
РВМ2-*/**/4+0 ***, ТУ 3428-002-79740390-2007 – трехфазные УЗИП класса II ограничивающего типа со сменными варисторными модулями.
- Предназначены для защиты фазных и нулевого проводников L/PE, N/PE.
- Состоят из сменных варисторных модулей и базы для подключения к сети.
- Выпускаются на максимальное длительное рабочее напряжение Uc = 75/100, 150/200, 275/350, 320/420, 385/505, 440/585 В AC/DC.
- Способны отводить импульсы тока Imax(8/20) = 40, 50 кА.
- Применяются в сетях с системами заземления типа TN-S.
- Для удаленного контроля РВМ2-*/**/4+0 С дополнительно снабжены “сухими” контактами дистанционной сигнализации.
Визуальный контроль рабочего состояния УЗИП проводится с помощью цветного индикатора - “флажка”, расположенного в окошках на лицевой части. В неисправном состоянии появляется «флажок»
красного цвета.
Структура наименования РВМ2-*/**/4+0 ***
ГРОЗОСТОП® - торговая марка выпускаемых АО "Хакель" УЗИП;
РВМ - модульное УЗИП серии РУБЕЖ ограничивающего типа на основе варисторов;
2 - класс испытаний УЗИП в соответствии с ГОСТ IEC 61643-11;
* - максимальное длительное рабочее напряжение системы, Uc AC;
** - максимальный разрядный ток Imax (8/20);
4+0 - четырехполюсное;
*** - наличие дистанционной сигнализации рабочего состояния С.
| |
Пример: РВМ2-75/40/4+0 С - четырехполюсное УЗИП ограничивающего типа со сменными варисторными модулями серии РУБЕЖ производства
АО "Хакель" для защиты оборудования распределительных сетей до
1000 В, класса испытаний II в соответствии с ГОСТ IEC 61643-11; Uc = 75 В АС, Imax (8/20) = 40 кА. Для удаленного контроля рабочего состояния УЗИП
дополнительно снабжено “сухим” контактом дистанционной сигнализации.
| |
|
| |
Схемы:
| |
| |
| |
| |
| |
|
сертификат соответствия системы добровольной сертификации ИНТЕРГАЗСЕРТ
|
сертификат соответствия требованиям ТР ТС 004/2011 «О
безопасности низковольтного оборудования»
|
сертификат соответствия системы менеджмента качества требованиям СТО Газпром 9001-2012
|
сертификат соответствия системы менеджмента качества требованиям ГОСТ Р ИСО 9001-2015
|
сертификат соответствия системы менеджмента качества требованиям ISO 9001:2015
| |
|
Технические характеристики РВM2-75/40/4+0 С, РВM2-150/40/4+0 С, РВM2-275/50/4+0 С, РВM2-320/50/4+0 С
|
Технические характеристики
|
РВM2-75/40/4+0 С
|
РВM2-150/40/4+0 С
|
|
РВM2-320/50/4+0 С
| |
РВM2-75/40/4+0 |
|
|
| |
Класс испытаний УЗИП по
ГОСТ IEC 61643-11
|
II |
II |
|
| |
Вид защиты |
L1/PE; L2/PE; L3/PE; N/PE |
L1/PE; L2/PE; L3/PE; N/PE |
L1/PE; L2/PE; L3/PE; N/PE |
L1/PE; L2/PE; L3/PE; N/PE | |
Род тока
|
переменный, 50 Гц / постоянный
|
переменный, 50 Гц / постоянный
|
переменный, 50 Гц / постоянный
|
переменный, 50 Гц / постоянный
| |
Номинальное напряжение системы АС/DC, U0
|
60 В / 78 В
|
125 В / 160 В
|
230 В / 300 В
|
265 В / 345 В
| |
Максимальное длительное рабочее напряжение АС/DC, UC | 75 В / 100 В | 150 В / 200 В | 275 В / 350 В | 320 В / 420 В |
Номинальный разрядный ток In (8/20)
|
|
|
|
| |
Максимальный разрядный ток Imax (8/20)
|
40 кА |
40 кА
|
50 кА
|
50 кА
| |
Уровень напряжения защиты Up
|
<0.45 кВ
|
<0.7 кВ |
<1.25 кВ
|
<1.8 кВ
| | Временное перенапряжение (ВПН), Ut |
91 В / 5 с |
182 В / 5 с |
|
| |
Время срабатывания, Ta
| < 25 нс |
< 25 нс |
< 25 нс | < 25 нс | Номинал защитного предохранителя
|
160 A gL / gG |
160 A gL / gG |
|
| |
Номинальный ток короткого замыкания
| 60 кАrms | 60 кАrms |
60 кАrms |
60 кАrms | |
Вид климатического исполнения по
ГОСТ 15150-69
|
УХЛ2.1**
|
УХЛ2.1** |
УХЛ2.1** |
УХЛ2.1**
| |
Рабочая температура, Tamb |
|
|
|
| |
Сечение подключаемых проводников |
одножил. до 25 мм² многожил. до 16 мм² |
одножил. до 25 мм² многожил. до 16 мм² |
одножил. до 25 мм² многожил. до 16 мм² |
одножил. до 25 мм² многожил. до 16 мм² | |
Момент затяжки, Н·м |
3 | 3 |
3 |
3 | |
Степень защиты по
ГОСТ 14254-2015
|
IP20
|
IP20
|
IP20
|
IP20
| |
Монтаж
| рейка DIN 35 мм | рейка DIN 35 мм |
рейка DIN 35 мм |
рейка DIN 35 мм | |
Материал корпуса
|
Polyamide PA6,
UL94 V-0
|
Polyamide PA6,
UL94 V-0
|
Polyamide PA6,
UL94 V-0
|
Polyamide PA6,
UL94 V-0
| |
Срок службы
| Не менее 10 лет
|
Не менее 10 лет |
Не менее 10 лет |
Не менее 10 лет | |
Масса, не более
| 371 г
| 379 г |
407 г | 419 г | |
Контакты дистанционной сигнализации:
| Максимальный коммутируемый ток, AC/DC
| 0.5 A / 0.1 А
| 0.5 A / 0.1 А
| 0.5 A / 0.1 А
| 0.5 A / 0.1 А
| |
Максимальное коммутируемое напряжение, AC/DC
|
250 В / 250 В
|
250 В / 250 В
|
250 В / 250 В
|
250 В / 250 В
| |
Сечение подключаемых проводников
|
до 2.5 мм²
|
до 2.5 мм²
|
до 2.5 мм²
|
до 2.5 мм²
| |
Момент затяжки, Н·м |
0.4
|
0.4
|
0.4
|
0.4
| |
Номер по каталогу "С"
|
200 347 |
200 359 |
200 371 |
200 383
| |
Без сигнализации
|
200 346
|
200 358
|
200 370
|
200 382
|
Технические характеристики РВМ2-385/40/4+0 С, РВМ2-440/40/4+0 С
|
Технические характеристики
|
РВМ2-385/40/4+0 С
|
РВМ2-440/40/4+0 С
|
|
| |
РВМ2-385/40/4+0 |
|
|
| |
Класс испытаний УЗИП по
ГОСТ IEC 61643-11
|
II |
II |
|
| |
Вид защиты |
L1/PE; L2/PE; L3/PE; N/PE |
L1/PE; L2/PE; L3/PE; N/PE |
|
| |
Род тока
|
переменный, 50 Гц / постоянный
|
переменный, 50 Гц / постоянный
|
|
| |
Номинальное напряжение системы АС/DC, U0
|
320 В / 420 В
|
365 В / 475 В
|
|
| |
Максимальное длительное рабочее напряжение АС/DC, UC | 385 В / 505 В | 440 В / 585 В |
|
|
Номинальный разрядный ток In (8/20)
|
|
|
|
| |
Максимальный разрядный ток Imax (8/20)
|
40 кА |
40 кА
|
|
| |
Уровень напряжения защиты Up
|
<1.55 кВ
|
<1.8 кВ |
|
| | Временное перенапряжение (ВПН), Ut |
466 В / 5 с |
580 В / 5 с |
|
| |
Время срабатывания, Ta
| < 25 нс |
< 25 нс |
|
| Номинал защитного предохранителя
|
160 A gL / gG |
160 A gL / gG |
|
| |
Номинальный ток короткого замыкания
| 60 кАrms | 60 кАrms |
|
| |
Вид климатического исполнения по
ГОСТ 15150-69
|
УХЛ2.1**
|
УХЛ2.1** |
|
| |
Рабочая температура, Tamb |
|
|
|
| |
Сечение подключаемых проводников |
одножил. до 25 мм² многожил. до 16 мм² |
одножил. до 25 мм² многожил. до 16 мм² |
|
| |
Момент затяжки, Н·м |
3 | 3 |
|
| |
Степень защиты по
ГОСТ 14254-2015
|
IP20
|
IP20
|
|
| |
Монтаж
| рейка DIN 35 мм | рейка DIN 35 мм |
|
| |
Материал корпуса
|
Polyamide PA6,
UL94 V-0
|
Polyamide PA6,
UL94 V-0
|
|
| |
Срок службы
| Не менее 10 лет
|
Не менее 10 лет |
|
| |
Масса, не более
| 435 г
| 447 г |
|
| |
Контакты дистанционной сигнализации:
| Максимальный коммутируемый ток, AC/DC
| 0.5 A / 0.1 А
| 0.5 A / 0.1 А
|
|
| |
Максимальное коммутируемое напряжение, AC/DC
|
250 В / 250 В
|
250 В / 250 В
|
|
| |
Сечение подключаемых проводников
|
до 2.5 мм²
|
до 2.5 мм²
|
|
| |
Момент затяжки, Н·м |
0.4
|
0.4
|
|
| |
Номер по каталогу "С"
|
200 395 |
200 407 |
|
| |
Без сигнализации
|
200 394
|
200 406
|
|
|
 |  |  |
 |
 |