 |  | 

Pl-k
|
| |
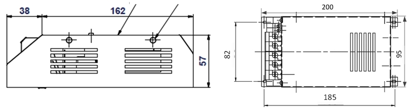
PI-k32, PI-k50, PI-k63, PI-k80 | |
|
| |
| |
| |
| |
Однофазные помехоподавляющие фильтры со встроенным УЗИП класса испытаний III. IL=32, 50, 63, 80, 120, 150 A. | |
|
Помехоподавляющие фильтры серии PI-k* со встроенным УЗИП класса испытаний III, согласно ГОСТ Р 51992 (ГОСТ IEC 61643-11), предназначены для защиты чувствительного электронного оборудования от высокочастотных помех и импульсных перенапряжений в низковольтных силовых распределительных системах переменного/постоянного тока до 1000 В.
Помехоподавляющие фильтры устанавливаются после УЗИП класса испытаний II в распределительные щиты непосредственно возле защищаемого оборудования.
PI-k*, ТУ 3428-002-79740390-2007 – серия однофазных помехоподавляющих фильтров с встроенным УЗИП класса испытаний III.
• Предназначены для защиты оборудования в цепях L/N, L/PE, N/PE от высокочастотных помех и импульсных перенапряжений.
• Выпускаются на номинальный рабочий ток IL = 32, 50, 63, 80, 120, 150 A, номинальное рабочее напряжение UO = 6, 12, 24, 48, 60, 80, 110, 120, 130, 160, 230 В (AC/DC).
• В конструкции фильтров применяются ферромагнитные сердечники с магнитной проницаемостью μ > 80000.
• Встроенное УЗИП выполнено по двухступенчатой схеме с использованием варисторов L/N и газонаполненного разрядника N/PE.
• Визуальный контроль рабочего состояния устройств проводится с помощью индикаторов красного цвета. В исправном состоянии индикаторы утоплены, в аварийном - выдвинуты. Для удаленного контроля применяются “сухие” контакты дистанционной сигнализации.
• Фильтры выполнены в металлическом корпусе и могут монтироваться с помощью винтов M4 на монтажную панель или с помощью специального кронштейна на DIN-рейку 35 мм.
• При заказе фильтров в комплекте с кронштейном для крепления на DIN-рейку 35 мм, необходимо указывать требуемое положение устройства по отношению к DIN-рейке – вертикальное (V) или горизонтальное (H) (например, при горизонтальном расположении - PI-k50/DIN/H или при вертикальном расположении - PI-k50/DIN/V).
• Вентиляционные отверстия в корпусе фильтров во время их работы должны быть всегда открыты.
• Защищаемое оборудование рекомендуется присоединять к фильтру с помощью экранированного кабеля.
При измерениях, производимых на электроустановке, когда методикой измерений предусматриваются испытания высокими напряжениями (например проверка сопротивления изоляции и т.д.) необходимо отключать фильтр от электроустановки. Несоблюдение этого правила приведет к искажению результатов измерения или в худшем случае к выходу из строя фильтра. | |
| | |
| |
| |
| |
| |
| |
| | | |
|
cертификат соответствия требованиям ТР ТС 004/2011 «О
безопасности низковольтного оборудования»
|
сертификат соответствия системы менеджмента качества требованиям СТО Газпром 9001-2012
|
сертификат соответствия системы менеджмента качества требованиям ГОСТ Р ИСО 9001-2015
|
сертификат соответствия системы менеджмента качества требованиям ISO 9001:2015
|
| |
Теория и особенности применения: | |
| |
|
Дополнительные принадлежности: | |
| |
|
Технические характеристики PI-k32, 50, 63, 80:|
Технические характеристики |
|
|
|
| |
Класс испытаний УЗИП в соответствии с ГОСТ Р 51992-2011 |
|
|
|
III | |
Вид защиты |
|
|
|
| |
Номинальное рабочее напряжение, UO |
|
|
|
| |
Макс. длительное рабочее напряжение, UC |
|
|
|
275 В AC | |
Номинальный ток, IL |
32 А |
|
|
|
Номинальный разрядный ток L/N, L/PE, In(8/20) |
|
|
|
|
Номинальный разрядный ток N/PE, In(8/20) |
5 кА |
5 кА |
|
| |
Испытательный импульс L/N, L/PE, Uoc |
6 кВ |
|
|
|
Испытательный импульс N/PE, Uoc |
10 кВ |
|
|
|
Уровень напряжения защиты L/N при Uoc, Up |
|
|
|
| |
Уровень напряжения защиты L/PE при Uoc, Up |
|
|
|
|
Уровень напряжения защиты N/PE при Uoc, Up |
|
|
|
|
Время срабатывания L/N, tA |
|
|
|
|
Время срабатывания L/PE, tA |
|
|
|
|
Время срабатывания N/PE, tA |
|
|
|
| |
Номинал защитного предохранителя |
|
|
|
| |
Рабочая температура, υ |
|
|
|
| |
Степень защиты в соответствии с ГОСТ 14254 |
|
|
|
IP10 | |
Монтаж |
DIN-рейка 35 мм или М4 |
DIN-рейка 35 мм или М4 |
| DIN-рейка 35 мм или М4 | |
Cечение присоединяемых проводников |
|
|
|
| |
Материал корпуса |
листовая сталь 0,8 мм |
|
| листовая сталь 0,8 мм | |
Cрок эксплуатации |
не менее 10 лет |
не менее 10 лет |
|
не менее 10 лет | |
Асимметрическое затухание фильтра | |
|
|
| |
в полосе 0,15-30 МГц |
менее 40 дБ |
|
|
| |
на частоте 4 МГц |
менее 80 дБ |
|
|
| |
Постоянные фильтра |
|
|
|
| |
Сх2 |
М68 |
|
|
| |
Сy2 |
22 нФ |
|
|
| |
L |
2,2 мГн |
|
|
| |
R |
|
|
|
| |
Рассевамая мощность при t=20°C |
< 5 Вт |
|
|
| |
Контакты дистанционной сигнализации |
|
|
|
| |
-электрическая прочность |
| 3,75 кВэфф |
3,75 кВэфф | 3,75 кВэфф | |
-сопротивление изоляции |
|
|
|
| |
-макс. коммутируемый ток |
|
|
| ~ 3 A | |
-макс. коммутируемое напряжение |
|
|
~ 250 В |
~ 250 В | |
Масса |
|
|
|
| |
Номер по каталогу |
30 028 |
30 100 |
|
30 180 |
Технические характеристики PI-k120, 150:|
Технические характеристики |
| PI-k150 |
|
| |
Класс испытаний УЗИП в соответствии с ГОСТ Р 51992-2011 |
|
III |
|
| |
Вид защиты |
|
|
|
| |
Номинальное рабочее напряжение, UO |
|
|
|
| |
Макс. длительное рабочее напряжение, UC |
|
275 В AC |
|
| |
Номинальный ток, IL |
|
|
|
|
Номинальный разрядный ток L/N, L/PE, In(8/20) |
|
|
|
|
Номинальный разрядный ток N/PE, In(8/20) |
|
|
|
| |
Испытательный импульс L/N, L/PE, Uoc |
|
|
|
|
Испытательный импульс N/PE, Uoc |
|
|
|
|
Уровень напряжения защиты L/N при Uoc, Up |
|
|
|
| |
Уровень напряжения защиты L/PE при Uoc, Up |
|
|
|
|
Уровень напряжения защиты N/PE при Uoc, Up |
|
|
|
|
Время срабатывания L/N, tA |
|
|
|
|
Время срабатывания L/PE, tA |
|
|
|
|
Время срабатывания N/PE, tA |
|
|
|
| |
Номинал защитного предохранителя |
|
|
|
| |
Рабочая температура, υ |
|
|
|
| |
Степень защиты в соответствии с ГОСТ 14254 |
|
IP10 |
|
| |
Монтаж |
| DIN-рейка 35 мм или М4 |
|
| |
Cечение присоединяемых проводников |
|
|
|
| |
Материал корпуса |
| листовая сталь 0,8 мм |
|
| |
Cрок эксплуатации |
|
не менее 10 лет |
|
| |
Асимметрическое затухание фильтра |
|
|
|
| |
в полосе 0,15-30 МГц |
|
|
|
| |
на частоте 4 МГц |
|
|
|
| |
Постоянные фильтра |
|
|
|
| |
Сх2 |
|
|
|
| |
Сy2 |
|
|
|
| |
L |
|
|
|
| |
R |
|
|
|
| |
Рассевамая мощность при t=20°C |
|
|
|
| |
Контакты дистанционной сигнализации |
|
|
|
| |
-электрическая прочность |
3,75 кВэфф | 3,75 кВэфф |
|
| |
-сопротивление изоляции |
|
|
|
| |
-макс. коммутируемый ток |
| ~ 3 A |
|
| |
-макс. коммутируемое напряжение |
~ 250 В |
~ 250 В |
|
| |
Масса |
|
|
|
| |
Номер по каталогу |
|
30 230 |
|
|
 |  |  |