 |  | 

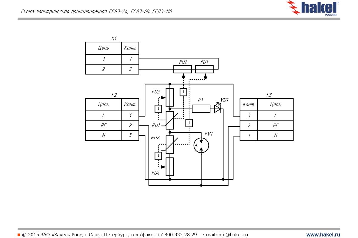
ГСД3-24, ГСД3-60, ГСД3-110
|
| |
| |
Двухполюсные УЗИП класса испытаний III комбинированного типа, применяются для защиты фазного и нулевого проводников в системах переменного тока и полюсов в системах постоянного тока. Uo = 24, 60, 110 В AC/DC. In (8/20)= 1, 3 кА.
| |
| |
Устройства серии ГРОЗОСТОП® ГСД3-* (**) испытаны в соответствии с классом испытаний III, согласно ГОСТ IEC 61643-11. Устанавливаются после УЗИП класса II в пределах 2 - 3 зон молниезащиты (в соответствии с ГОСТ Р МЭК 62305-1 и СО-153-34.21.122) непосредственно вблизи защищаемого оборудования. Предназначены для
защиты конечных потребителей от остаточных бросков импульсных
перенапряжений.
ГРОЗОСТОП® ГСД3-* (**), ТУ 3428-002-79740390-2007 – серия двухполюсных УЗИП класса испытаний III на основе оксидно-цинковых варисторов и газонаполненного разрядника.
• Предназначены для защиты фазного и нулевого проводников в системах переменного тока и полюсов в системах постоянного тока от противофазных и синфазных перенапряжений в цепях L/N, L(N)/PE, L-/L+, L-(+)/PE.
• Выпускаются на номинальное рабочее напряжение системы Uо= 24, 60, 110 AC/DC.
• Применяются в сетях переменного тока с системами заземления типа TN-S, IT и TN-C система b, TN-S система а в сетях постоянного тока.
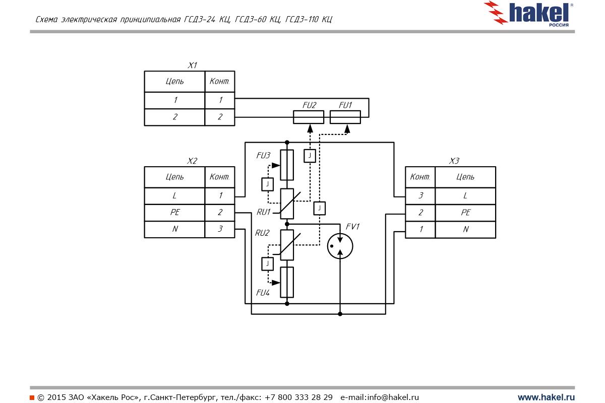
• Для цепей, где по условиям эксплуатации недопустимо наличие токов утечки применяется ГСД3-* КЦ.
• Возможно параллельное и последовательное подключение к защищаемой сети.
• Способны отводить импульсы тока In(8/20) = 1, 3 кА, Uoc(1.2/50)= 2, 6 кВ.
• Для удаленного контроля серия ГСД3-* cнабжена “сухими” контактами дистанционной сигнализации.
• Визуальный контроль рабочего состояния ГСД3-* проводится с помощью светодиода зеленого цвета. В исправном состоянии светодиод светится, в аварийном - нет. ГСД3-* КЦ не имеет визуальной сигнализации работоспособного состояния. • Защищаемое
оборудование рекомендуется размещать на расстоянии не более 5 м от УЗИП
класса III.
| |
|
| |
Структура наименования ГРОЗОСТОП® ГСД3-* (**):
ГРОЗОСТОП® - торговая марка выпускаемых АО "Хакель" УЗИП;
ГСД - серия устройств для защиты оборудования распределительных сетей до 1000 В комбинированного типа;
3 - класс испытаний УЗИП в соответствии с ГОСТ IEC 61643-11;
* - номинальное напряжение системы, Uо= 24, 60, 110 AC/DC;
** - дополнительные модификации УЗИП:
- КЦ - исключена визуальная сигнализация для уменьшения токов утечки.
Пример: ГРОЗОСТОП® ГСД3-24 - УЗИП производства АО "Хакель" для защиты оборудования распределительных сетей до 1000 В комбинированного типа, УЗИП класса испытаний III в соответствии с ГОСТ IEC 61643-11, Uо=24 В АС/DC.
| | | |
| |
| |
| |
| |
| |
| |
| |
| |
|
сертификат соответствия системы добровольной сертификации ИНТЕРГАЗСЕРТ (для серии (LT))
|
сертификат соответствия требованиям ТР ТС 004/2011 «О
безопасности низковольтного оборудования»
|
сертификат соответствия системы менеджмента качества требованиям СТО Газпром 9001-2012
|
сертификат соответствия системы менеджмента качества требованиям ГОСТ Р ИСО 9001-2015
|
сертификат соответствия системы менеджмента качества требованиям ISO 9001:2015
| |
| |
|
Теория и особенности применения: | |
| |
|
Для цепей, где по условиям эксплуатации недопустимо наличие токов утечки применяется ГСД3-24 КЦ.
|
При измерениях, производимых на
электроустановке, когда методикой измерений предусматриваются испытания
высокими напряжениями (например, проверка сопротивления изоляции)
необходимо отключать УЗИП от электроустановки. Несоблюдение этого
правила приведет к искажению результатов измерения или в худшем случае к
выходу из устройства строя. | |
|
Дополнительные принадлежности: | |
| |
| |
|
Технические характеристики:|
Технические характеристики
|
ГСД3-24
|
|
| |
ГСД3-24 КЦ
|
ГСД3-60 КЦ
|
ГСД3-110 КЦ
| |
Количество полюсов
|
2
|
2
|
2
| |
Класс испытаний УЗИП в соответствии с
ГОСТ IEC 61643-11
|
III
|
III
|
III
| |
Вид защиты |
L/N, L(N)/PE, L-/L+, L-(+)/PE |
L/N, L(N)/PE, L-/L+, L-(+)/PE |
L/N, L(N)/PE, L-/L+, L-(+)/PE | |
Номинальное напряжение системы AC/DC, UO
| 24 В
|
60 В
|
110 В
| |
Максимальное длительное рабочее напряжение AC/DC, UC |
|
70 B/ 90 B |
120 B/ 160 B
| |
Максимальный разрядный ток L/N, L(N)/PE, Imax(8/20)
|
2 кА
|
2 кА
|
4,5 кА
| |
Номинальный ток нагрузки, IL
|
16 А
|
16 А
|
16 А
| |
Номинальный разрядный ток L/N, L(N)/PE, In(8/20)
|
1 кА
|
1 кА
|
3 кА
| |
Испытательный импульс L/N, L(N)/PE Uoc(1,2/50)
|
2 кВ
|
2 кВ
|
6 кВ
| |
Уровень напряжения защиты L/N при Uoc, Up |
< 150 В
|
< 250 В
|
< 350 В
| |
Уровень напряжения защиты L(N)/PE при Uoc, Up
|
< 100 В |
< 150 В |
< 200 В
| |
Рассеиваемая мощность, при t=200 C
|
<0.5 Вт |
<0.5 Вт |
<0.5 Вт | Ток утечки светодиодной сигнализации L/PE для ГСД3-*
|
<1 мА
|
<1 мА |
<1 мА
| |
Ток утечки светодиодной сигнализации L/PE для ГСД3-* КЦ
|
-
|
-
|
-
| |
Номинал защитного предохранителя при параллельном подключении
|
|
25 A gG
|
25 A gG
| |
Номинал защитного предохранителя при последовательном подключении |
|
16 A gG |
16 A gG
| |
Рабочая температура |
-40...+80 °C |
-40...+80 °C
|
-40...+80 °C
| |
Время срабатывания L/N, tA |
< 25 нс |
< 25 нс
|
< 25 нс
| |
Время срабатывания L(N)/PE, t
A
|
< 100 нс
|
< 100 нс
|
< 100 нс
| |
Степень защиты по ГОСТ 14254-2015 |
IP20 |
IP20
|
IP20
| |
Монтаж | DIN-рейка 35 мм |
DIN-рейка 35 мм
|
DIN-рейка 35 мм
| |
Cечение присоединяемых проводников | |
|
| |
- жесткий одножильный |
0.25-4 мм²
|
0.25-4 мм²
|
0.25-4 мм²
| |
- гибкий множильный |
0.25-4 мм²
|
0.25-4 мм²
|
0.25-4 мм²
| |
Материал корпуса |
Polyamide PA6 |
Polyamide PA6
|
Polyamide PA6
| |
Cрок эксплуатации | не менее 10 лет |
не менее 10 лет |
не менее 10 лет | |
Контакты дистанционной сигнализации
|
|
|
| |
- макс. коммутируемый ток АС
|
3 A
|
3 A
|
3 A
| |
- макс. коммутируемое напряжение АС
|
250 В
|
250 В
|
250 В
| |
Масса |
|
52 г
|
52 г
| |
Номер по каталогу |
300 006
|
300 007
|
300 011
| |
|
300 026
|
300 027
|
300 031
|
|
|
Серия УЗИП с индексом (LT) сертифицирована в системе добровольной
сертификации ИНТЕРГАЗСЕРТ ПАО «Газпром» по схеме 1d. Данные устройства испытаны на соответствие техническим регламентам ПАО «Газпром» и периодически подвергаются
тестированию и инспекционному контролю независимых экспертов.
УЗИП с
индексом (LT) предназначены для эксплуатации в микроклиматических
районах с диапазоном температур от -60°С до +80°С и на них
распространяется увеличенный гарантийный срок эксплуатации до 5 лет.
|
|
|
Технические характеристики
|
ГСД3-24 (LT)
|
ГСД3-60 (LT)
|
ГСД3-110 (LT)
| |
|
ГСД3-24 КЦ (LT)
|
ГСД3-60 КЦ (LT)
|
ГСД3-110 КЦ (LT)
| |
Рабочая температура
|
-60...+80 °C
|
-60...+80 °C
|
-60...+80 °C
| |
Гарантийный срок эксплуатации, год
|
5
|
5
|
5
| |
Номер по каталогу
|
300 106
|
300 107
|
300 111
| |
|
300 126
|
300 127
|
300 131
|
 |  |  |