|  |
 |  | 

DTNVR 2FM 24/90/2 G
|
| |
| | УЗИП
в корпусе для установки на DIN-рейку 35 мм. Количество защищаемых пар
проводников 2. Uo = 24 В DC. IL= 2 А. In (8/20)= 20 кА. В УЗИП
применяются TVS-диоды с Робр.= 1500 Вт. Скорость передачи данных до 10
Мбит/с. Предназначены для защиты оборудования по цепям в которые
недопустимо внесение дополнительных сопротивлений. Имеется возможность
подключения экрана кабеля через газонаполненный разрядник. | |
|
УЗИП DTNVR 2FM 24/90/2 G, ТУ 3428-002-79740390-2007 предназначены для защиты оборудования от
импульсных перенапряжений (грозозащита, защита от электростатических
разрядов и др.) в пределах 0B - 2 зон молниезащиты в соответствии с ГОСТ Р
МЭК 62305-1-2010.
| |
| |
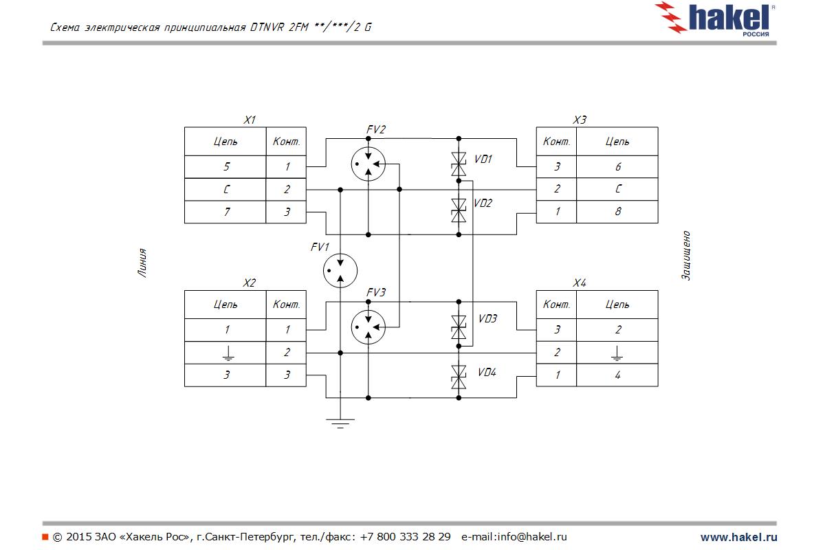
УЗИП серии DTNVR 2FM 24/90/2 G, ТУ 3428-002-79740390-2007 размещены в корпусе для установки на DIN-рейку 35 мм.
- Первая ступень защиты выполнена на газонаполненных разрядниках с In (8/20)=20 кА, вторая на TVS-диодах с Рppm=1500 Вт.
- Количество защищаемых пар проводников 2, подключение с помощью винтовых клемм 4,0 мм².
- Выпускаются на номинальное рабочее напряжение Uо линия-линия = 24 В DC, Uо линия-экран = 70 В DC,номинальный ток IL=2 А.
- Способны пропускать номинальный разрядный ток In (8/20)=20 кА.
- Скорость передачи данных до 10 Мбит/с.
- Имеется возможность подключения экрана кабеля (С) к системе уравнивания потенциалов через газонаполненный разрядник.
- Уравнивание потенциалов линий передачи данных и земли происходит относительно потенциала экрана кабеля (С).
| | |
Структура наименования DTNVR 2FM 24/90/2 G:
DTNVR 2 - устройство для защиты оборудования слаботочных цепей, размещено в корпусе для крепления на DIN-рейку 35 мм;
2 - количество защищаемых пар проводников;
FM - схема защиты при которой вторая ступень защиты изолирована от земли и в защищаемые цепи недопустимо внесение дополнительных сопротивлений;
24 - номинальное рабочее напряжение линия-линия UO, В DC; 90 - с татическое напряжение пробоя разрядника линия-экран UO, В DC;
2 - номинальный токо IL, А;
G - экран кабеля подключается через газонаполненный разрядник.
| |
| |
| |
| |
| |
|
сертификат соответствия системы добровольной сертификации ИНТЕРГАЗСЕРТ (для серии (LT))
|
сертификат соответствия требованиям ТР ТС 004/2011 «О
безопасности низковольтного оборудования»
|
сертификат соответствия системы менеджмента качества требованиям СТО Газпром 9001-2012 |
сертификат соответствия системы менеджмента качества требованиям ГОСТ Р ИСО 9001-2015 | сертификат соответствия системы менеджмента качества требованиям ГОСТ ISO 9001-2011 (ISO 9001:2015) | |
|
Теория и особенности применения: | |
|
Уравнивание потенциалов линий передачи данных и земли происходит относительно потенциала экрана кабеля (С).
|
Применяются
для защиты оборудования по цепям в которые недопустимо внесение
дополнительных сопротивлений, например откалиброванных модулей
аналогового ввода для подключения термопар и т.д.
| |
|
Дополнительные принадлежности: | |
| |
| | |
Технические характеристики
|
Технические характеристики
|
|
DTNVR 2FM 24/90/2 G
| |
Количество защищаемых пар
|
|
2
| |
Номинальное рабочее напряжение линия-линия AC/DC |
UO
|
16 B/24 В
| |
Макс. длительное рабочее напряжение линия-линия АС/DC |
UC
|
20 B/30 В
| |
Статическое напряжение пробоя разрядника линия-экран (при скорости нарастания 100 В/с)
|
|
90 В ± 20%
| |
|
IL
|
2 А
| |
Устойчивость к переменному току, линия-РЕ |
|
10 А
| |
D1 Импульсный ток (10/350), линия-РЕ, линия-экран, линия+линия-РЕ
|
Iimp
|
2.5 кА
| |
С2 Номинальный разрядный ток (8/20), линия-РЕ, линия-экран, линия+линия-РЕ |
In
|
20 кА
| |
Уровень напряжения защиты при I = 1 кА (8/20), линия-линия
|
Up
|
< 80 В
| |
Уровень напряжения защиты при I = 1 кА (8/20), линия-экран
|
Up
|
< 150 В
| |
C3 Уровень напряжения защиты при 1 кВ/мкс, линия-линия
|
Up
|
< 60 В
| |
C3 Уровень напряжения защиты при 1 кВ/мкс, линия-экран |
Up
|
< 125 В
| |
Макс. допустимая импульсная мощность рассеиваемая TVS-диодами |
Рppm
|
1500 Вт
|
Время срабатывания, линия-линия |
tA
|
< 1 нc
|
Время срабатывания, линия-PE |
tA
|
< 100 нc
| |
Скорость передачи данных, не более
|
|
10 Мбит/с
| Вид климатического исполнения по ГОСТ 15150-69
|
| У2.1**
| |
Рабочая температура |
|
-40... +80°C
| |
Степень защиты в соответствии с ГОСТ 14254 |
|
IP20
| |
Монтаж |
|
DIN-рейка 35 мм
| |
Cечение присоединяемых проводников |
|
0.25-4.0 мм²
| |
Материал корпуса |
|
Polyamide PA6
| |
Цвет корпуса |
|
серый
| |
Категория в соответствии с ГОСТ IEC 61643-21
|
|
C2, C3, D1
| |
Масса |
|
90 г | |
Номер по каталогу |
|
405 072
|
|
|
Серия УЗИП с индексом (LT) сертифицирована в системе добровольной
сертификации ИНТЕРГАЗСЕРТ ПАО «Газпром» по схеме 1d. Данные устройства испытаны на соответствие техническим регламентам ПАО «Газпром» и периодически подвергаются
тестированию и инспекционному контролю независимых экспертов.
УЗИП с
индексом (LT) предназначены для эксплуатации в микроклиматических
районах с диапазоном температур от -60°С до +80°С и на них
распространяется увеличенный гарантийный срок эксплуатации до 5 лет.
|
|
|
Технические характеристики
|
|
DTNVR 2FM 24/90/2 G (LT)
| |
Рабочая температура |
|
-60...+80 °C
| Гарантийный срок эксплуатации, год
|
|
5 | |
Номер по каталогу |
|
405 082
|
 |  |  |
 |
 |