 |  | 

DTNV */**/1.5/1500 Снято с производства!
|
| В связи с обновлением модельного ряда с 01.10.2017 г. снимаются с серийного производства. По вопросам возможности изготовления обращайтесь к сотрудникам коммерческого отдела.
| |
| |
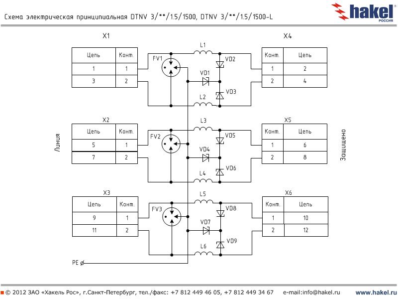
УЗИП серии DTNV */**/1.5/1500 , ТУ 3428-002-79740390-2007 предназначены для защиты оборудования
распределенных сетей аппаратуры промышленной автоматизации (АСУ ТП,
АСКУЭ и др.), цифровых интерфейсов передачи данных, сигнальных линий
систем управления и измерения, а также для защиты вторичных цепей
питания и др. от импульсных перенапряжений (грозозащита, защита от
электростатических разрядов и др.) в пределах 1 - 2 зон молниезащиты в
соответствии с ГОСТ Р МЭК 62305-1-2010.
УЗИП серии DTNV */**/1.5/1500 , ТУ 3428-002-79740390-2007 выполнены в виде печатной платы для установки в защищаемое оборудование.
- Первая ступень защиты выполнена на газонаполненных разрядниках с Imax(8/20)=20 кА, вторая на TVS-диодах с Рppm=1500 Вт.
- Количество защищаемых пар проводников 1-4, подключение с помощью винтовых клемм.
- Выпускаются на номинальное рабочее напряжение Uo= 6, 12, 24, 30, 48, 60, 80, 110, 170 В DC, номинальный ток IL=1.5 А.
- Способны пропускать максимальный разрядный ток Imax(8/20)=20 кА.
- Скорость передачи данных до 1 Мбит/с. | |
| |
Структура наименования DTNV */**/1.5/1500:
DTNV - устройство для защиты оборудования слаботочных цепей, выполнены в виде печатной платы для установки в защищаемое оборудование;
* - количество защищаемых пар проводников - 1, 2, 3, 4;
** - номинальное рабочее напряжение UO= 6, 12, 24, 30, 48, 60, 80, 110, 170 В DC;
1.5 - номинальный ток, А;
1500 - вторая ступень защиты выполнена на TVS-диодах с Ррpm=1500 Вт.
Пример: DTNV 2/6/1.5/1500 - устройство для защиты оборудования слаботочных цепей с номинальным током IL=1.5 А, выполнены в виде печатной платы для установки в защищаемое оборудование, количество пар защищаемых проводников - 2, номинальное рабочее напряжение Uo= 6 В DC, вторая ступень защиты выполнена на TVS-диодах с Ррpm=1500 Вт. | |
| |
| |
| |
| |
| |
| |
| |
| |
|
cертификат соответствия требованиям ТР ТС 004/2011 «О
безопасности низковольтного оборудования»
|
сертификат соответствия системы добровольной
сертификации ГАЗПРОМСЕРТ устройств защиты от импульсных перенапряжений для систем
телекоммуникации и сигнализации (информационных систем) |
сертификат соответствия системы менеджмента качества требованиям СТО Газпром 9001-2012 |
сертификат соответствия системы менеджмента качества требованиям ГОСТ Р ИСО 9001-2015 | сертификат соответствия системы менеджмента качества требованиям ГОСТ ISO 9001-2011 (ISO 9001:2015) | |
|
Теория и особенности применения: | |
| |
|
Дополнительные принадлежности: | |
| |
|
|
Технические характеристики Количество защищаемых пар |
1 |
|
|
|
| |
2 |
DTNV 2/6/1.5/1500
|
|
|
DTNV 2/30/1.5/1500
| |
3 |
DTNV 3/6/1.5/1500
|
|
|
| |
4 |
DTNV 4/6/1.5/1500
|
|
|
| |
Номинальное рабочее напряжение DC |
UО |
6 В |
|
|
30 В | |
Макс. длительное рабочее напряжение DC |
UC |
7 В |
13,5 В |
28 В |
33 В | |
|
IL |
1,5 А |
|
|
| | D1 Суммарный импульсный ток (10/350) | ITotal | 5 кА | 5 кА | 5 кА | 5 кА | | D1 Импульсный ток на линию (10/350) | Iimp | 2.5 кА | 2.5 кА | 2.5 кА | 2.5 кА | |
С2 Максимальный разрядный ток (8/20) |
Imax |
20 кА |
|
|
|
C2 Номинальный разрядный ток (8/20) |
In |
1 кА |
|
|
1 кА | |
Уровень напряжения защиты при In |
|
18 В |
|
|
| |
Уровень напряжения защиты при 1 кВ/мкс |
|
|
|
|
|
Уровень напряжения защиты при Imax |
|
51 В |
|
|
|
Макс. допустимая импульсная мощность, рассеиваемая TVS-диодами |
|
|
|
|
| |
|
tA |
|
|
|
| |
Скорость передачи данных, не более
| |
1 Мбит/с |
|
|
| |
Вносимая индуктивность |
|
4,7 мкГн |
|
|
| |
Паразитная емкость |
С |
1,5 нФ |
|
|
| |
Рабочая температура |
υ |
-40...+80°C |
-40...+80°C |
-40...+80°C |
-40...+80°C | |
Степень защиты в соответствии с ГОСТ 14254 |
|
IP00 |
IP00 |
IP00 |
IP00 | |
Монтаж |
|
|
|
монтажная панель |
монтажная панель | |
Cечение присоединяемых проводников |
|
0.25-4 мм² |
|
|
| |
Категория в соответствии с ГОСТ IEC 61643-21-2014 |
|
A2, B2, C2, C3, D1 |
A2, B2, C2, C3, D1 |
A2, B2, C2, C3, D1 |
A2, B2, C2, C3, D1 | |
Номер по каталогу |
|
401 091
|
401 101
|
401 111
|
401 121
| |
|
|
401 092
|
401 102
|
401 112
|
401 122
| |
|
|
401 093
|
401 103
|
401 113
|
401 123
| |
|
|
401 094
|
401 104
|
401 114 |
401 124
| |
|
Технические характеристики
Количество защищаемых пар |
1 |
|
|
|
| |
2 |
DTNV 2/48/1.5/1500
|
|
|
DTNV 2/110/1.5/1500
| |
3 |
|
|
|
| |
4 |
|
|
|
| |
Номинальное рабочее напряжение DC |
UO |
48 В |
|
|
110 В | |
Макс. длительное рабочее напряжение DC |
UC |
53 В |
70 В |
94 В |
128 В | |
|
IL |
1,5 А |
|
|
| | D1 Суммарный импульсный ток (10/350) | ITotal | 5 кА | 5 кА | 5 кА | 5 кА | | D1 Импульсный ток на линию (10/350) | Iimp | 2.5 кА | 2.5 кА | 2.5 кА | 2.5 кА | |
С2 Максимальный разрядный ток (8/20) |
Imax |
20 кА |
|
|
|
С2 Номинальный разрядный ток (8/20) |
In |
1 кА |
|
|
1 кА | |
Уровень напряжения защиты при In |
|
86 В |
|
|
| |
Уровень напряжения защиты при 1 кВ/мкс |
|
|
|
|
|
Уровень напряжения защиты при Imax |
|
|
|
|
|
Макс. допустимая импульсная мощность, рассеиваемая TVS-диодами |
|
|
|
|
| |
|
tA |
|
|
|
| |
Скорость передачи данных, не более
| |
1 Мбит/с |
|
|
| |
Вносимая индуктивность | |
|
|
|
| |
Паразитная емкость |
С |
1,5 нФ |
|
|
| |
Рабочая температура |
υ |
-40...+80°C |
-40...+80°C |
-40...+80°C |
-40...+80°C | |
Степень защиты в соответствии с ГОСТ 14254 |
|
IP00 |
IP00 |
IP00 |
IP00 | |
Монтаж |
|
|
|
монтажная панель |
монтажная панель | |
Cечение присоединяемых проводников |
|
0.25-4 мм² |
|
|
| |
Категория в соответствии с ГОСТ IEC 61643-21-2014 |
|
A2, B2, C2, C3, D1 |
A2, B2, C2, C3, D1 |
A2, B2, C2, C3, D1 |
A2, B2, C2, C3, D1 | |
Номер по каталогу |
|
|
401 141
|
401 151
|
401 161
| |
|
|
|
401 142
|
401 152
|
401 162
| |
|
|
|
401 143
|
401 153
|
401 163
| |
|
|
401 134
|
401 144
|
401 154
|
401 164
| |
Технические характеристики
Количество защищаемых пар |
1 |
|
|
|
| |
2 |
DTNV 2/170/1.5/1500
|
|
|
| |
3 |
|
|
|
| |
4 |
|
|
|
| |
Номинальное рабочее напряжение DC |
UО |
170 В |
|
|
| |
Макс. длительное рабочее напряжение DC |
UC |
185 В |
|
|
| |
|
IL |
1,5 А |
|
|
| | D1 Суммарный импульсный ток (10/350) | ITotal | 5 кА |
|
|
| | D1 Импульсный ток на линию (10/350) | Iimp | 2.5 кА
|
|
|
| |
С2 Максимальный разрядный ток (8/20) |
Imax |
20 кА |
|
|
|
С2 Номинальный разрядный ток (8/20) |
In |
1 кА |
|
|
| |
Уровень напряжения защиты при In |
|
282 В |
|
|
| |
Уровень напряжения защиты при 1 кВ/мкс |
|
|
|
|
|
Уровень напряжения защиты при Imax |
|
|
|
|
|
Макс. допустимая импульсная мощность, рассеиваемая TVS-диодами |
|
|
|
|
| |
|
tA |
|
|
|
| |
Скорость передачи данных, не более
| |
1 Мбит/с |
|
|
| |
Вносимая индуктивность | |
|
|
|
| |
Паразитная емкость |
С |
1,5 нФ |
|
|
| |
Рабочая температура |
υ |
-40...+80°C |
|
|
| |
Степень защиты в соответствии с ГОСТ 14254 |
|
IP00 |
|
|
| |
Монтаж |
|
|
|
|
| |
Cечение присоединяемых проводников |
|
0.25-4 мм² |
|
|
| |
Категория в соответствии с ГОСТ IEC 61643-21-2014 |
|
A2, B2, C2, C3, D1 |
|
|
| |
Номер по каталогу |
|
|
|
|
| |
|
|
|
|
|
| |
|
|
|
|
|
| |
|
|
400 020
|
|
|
| | |
| |
|
 |  |  |