|  |
 |  | 

DT */**/1500
|
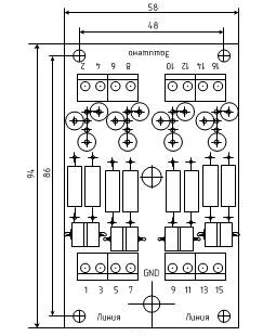
| УЗИП в виде печатной платы. Количество защищаемых пар проводников 1-4. Uo= 6, 12, 24, 30, 48, 60, 80, 110, 170 В DC. IL=100 мА. In(8/20)=20 кА. В УЗИП применяются TVS-диоды с Рppm=1500 Вт. Скорость передачи данных до 1 Мбит/с.
| |
| |
УЗИП серии DT */**/1500 , ТУ 3428-002-79740390-2007 предназначены для защиты оборудования распределенных сетей аппаратуры промышленной автоматизации (АСУ ТП, АСКУЭ и др.), цифровых интерфейсов передачи данных, сигнальных линий систем управления и измерения, а также для защиты вторичных цепей питания и др. от импульсных перенапряжений (грозозащита, защита от электростатических разрядов и др.) в пределах 1 - 2 зон молниезащиты в соответствии с ГОСТ Р МЭК 62305-1-2010.
УЗИП серии DT */**/1500 , ТУ 3428-002-79740390-2007 выполнены в виде печатной платы для установки в защищаемое оборудование.
- Первая ступень защиты выполнена на газонаполненных разрядниках с In(8/20)=20 кА, вторая на TVS-диодах с Рppm=1500 Вт.
- Количество защищаемых пар проводников 1-4, подключение с помощью винтовых клемм.
- Выпускаются на номинальное рабочее напряжение Uo= 6, 12, 24, 30, 48, 60, 80, 110, 170 В DC, номинальный ток IL=100 мА.
- Способны пропускать номинальный разрядный ток In(8/20)=20 кА.
- Скорость передачи данных до 1 Мбит/с. | |
| |
Структура наименования DT */**/1500:
DT - устройство для защиты оборудования слаботочных цепей с номинальным током IL=100 мА, выполнены в виде печатной платы для установки в защищаемое оборудование;
* - количество защищаемых пар проводников - 1, 2, 3, 4;
** - номинальное рабочее напряжение Uo= 6, 12, 24, 30, 48, 60, 80, 110, 170 В DC;
1500 - вторая ступень защиты выполнена на TVS-диодах с Рppm=1500 Вт.
Пример: DT 2/6/1500 - устройство для защиты оборудования слаботочных цепей с номинальным током IL=100 мА, выполнены в виде печатной платы для установки в защищаемое оборудование, количество пар защищаемых проводников -2, номинальное рабочее напряжение Uo= 6 В DC, вторая ступень защиты выполнена на TVS-диодах с Рppm=1500 Вт | |
| |
| |
| |
| |
| |
| |
| |
| |
|
cертификат соответствия требованиям ТР ТС 004/2011 «О
безопасности низковольтного оборудования»
|
сертификат соответствия системы менеджмента качества требованиям СТО Газпром 9001-2012 |
сертификат соответствия системы менеджмента качества требованиям ГОСТ Р ИСО 9001-2015 | сертификат соответствия системы менеджмента качества требованиям ГОСТ ISO 9001-2011 (ISO 9001:2015) | |
|
Теория и особенности применения: | |
| |
| |
| |
| |
|
|
Дополнительные принадлежности: | |
| |
| |
Технические характеристики:
|
УЗИП на номинальное рабочее напряжение Uo= 6, 12, 24, 30 В DC
Технические характеристики
Количество защищаемых пар |
1 |
|
|
|
| |
2 |
DT 2/6/1500
|
|
|
DT 2/30/1500
| |
3 |
DT 3/6/1500
|
|
|
| |
4 |
DT 4/6/1500
|
|
|
| |
Номинальное рабочее напряжение DC |
Uo |
6 В |
|
|
30 В | |
Макс. длительное рабочее напряжение DC |
Uc |
7 В |
13,5 В |
28 В |
33 В | |
|
IL |
100 мА |
|
|
| | D1 Импульсный ток (10/350) | Iimp | 2.5 кА
| 2.5 кА | 2.5 кА | 2.5 кА | |
С2 Номинальный разрядный ток (8/20) |
In |
20 кА |
|
|
| |
Уровень напряжения защиты при
I=1 кА (8/20) (линия-линия)
|
|
< 18 В |
|
|
| |
Уровень напряжения защиты при
1 кВ/мкс (линия-линия)
|
|
|
|
|
|
Макс. допустимая импульсная мощность, рассеиваемая TVS-диодами
|
|
|
|
|
| |
|
tA |
|
|
|
| |
Скорость передачи данных, не более
| |
1 Мбит/с |
|
|
| |
Вносимое сопротивление в проводник |
|
2,2 Ом |
|
|
| |
Вносимая емкость |
С |
1,5 нФ |
|
|
| |
Рабочая температура |
|
-40...+80°C |
-40...+80°C |
-40...+80°C |
-40...+80°C | |
Степень защиты в соответствии с ГОСТ 14254 |
|
IP00 |
IP00 |
IP00 |
IP00 | |
Монтаж |
|
|
|
монтажная панель |
монтажная панель | |
Cечение присоединяемых проводников |
|
0.25-2.5 мм2 |
|
|
| |
Категория в соответствии с ГОСТ IEC 61643-21-2014 |
|
C2, C3, D1 |
C2, C3, D1 |
C2, C3, D1 |
C2, C3, D1 | |
Номер по каталогу |
|
400 005 |
400 015 |
400 025 |
400 035
| |
|
|
400 006 |
400 016 |
400 026 |
400 036
| |
|
|
400 007 |
400 017 |
400 027 |
400 037
| |
|
|
400 008 |
400 018 |
400 028 |
400 038
|
УЗИП на номинальное рабочее напряжение Uo= 48, 60, 80, 110 В DC
Технические характеристики
Количество защищаемых пар |
1 |
|
|
|
| |
2 |
DT 2/48/1500
|
|
|
DT 2/110/1500
| |
3 |
|
|
|
| |
4 |
|
|
|
| |
Номинальное рабочее напряжение DC |
Uo |
48 В |
|
|
110 В | |
Макс. длительное рабочее напряжение DC |
Uc |
53 В |
70 В |
94 В |
128 В | |
|
IL |
100 мА |
|
|
| | D1 Импульсный ток (10/350) | Iimp | 2.5 кА | 2.5 кА | 2.5 кА | 2.5 кА |
C2 Номинальный разрядный ток (8/20) |
In |
20 кА |
|
|
20 кА | |
Уровень напряжения защиты при
I=1 кА (8/20) (линия-линия)
|
|
< 86 В |
|
|
| |
Уровень напряжения защиты при
1 кВ/мкс (линия-линия)
|
|
|
|
|
|
Макс. допустимая импульсная мощность, рассеиваемая TVS-диодами |
|
|
|
|
| |
|
tA |
|
|
|
| |
Скорость передачи данных, не более
| |
1 Мбит/с |
|
|
| |
Вносимое сопротивление в проводник
| |
|
|
|
| |
Вносимая емкость |
С |
1,5 нФ |
|
|
| |
Рабочая температура |
|
-40...+80°C |
-40...+80°C |
-40...+80°C |
-40...+80°C | |
Степень защиты в соответствии с ГОСТ 14254 |
|
IP00 |
IP00 |
IP00 |
IP00 | |
Монтаж |
|
|
|
монтажная панель |
монтажная панель | |
Cечение присоединяемых проводников |
|
0.25-2.5 мм2 |
|
|
| |
Категория в соответствии с ГОСТ IEC 61643-21-2014 |
|
C2, C3, D1 |
C2, C3, D1 |
C2, C3, D1 |
C2, C3, D1 | |
Номер по каталогу |
|
|
400 055
|
400 065
|
400 075 | |
|
|
|
400 056
|
400 066
|
400 076 | |
|
|
|
400 057
|
400 067
|
400 077 | |
|
|
400 048
|
400 058
|
400 068
|
400 078
|
УЗИП на номинальное рабочее напряжение Uo=170 В DC
Технические характеристики
Количество защищаемых пар |
1 |
|
|
|
| |
2 |
DT 2/T/1500
|
|
|
| |
3 |
|
|
|
| |
4 |
|
|
|
| |
Номинальное рабочее напряжение DC |
Uo |
170 В |
|
|
| |
Макс. длительное рабочее напряжение DC |
Uc |
185 В |
|
|
| |
|
IL |
100 мА |
|
|
| | D1 Импульсный ток (10/350) | Iimp | 2.5 кА
|
|
|
|
C2 Номинальный разрядный ток (8/20) |
In |
20 кА |
|
|
| |
Уровень напряжения защиты при
I=1кА (8/20) (линия-линия)
|
|
< 282 В |
|
|
| |
Уровень напряжения защиты при
1 кВ/мкс (линия-линия)
|
|
|
|
|
|
Макс. допустимая импульсная мощность, рассеиваемая TVS-диодами |
|
|
|
|
| |
|
tA |
|
|
|
| |
Скорость передачи данных, не более
| |
1 Мбит/с |
|
|
| |
Вносимое сопротивление в проводник
| |
|
|
|
| |
Вносимая емкость |
С |
1,5 нФ |
|
|
| |
Рабочая температура |
|
-40...+80°C |
|
|
| |
Степень защиты в соответствии с ГОСТ 14254 |
|
IP00 |
|
|
| |
Монтаж |
|
|
|
|
| |
Cечение присоединяемых проводников |
|
0.25-2.5 мм2 |
|
|
| |
Категория в соответствии с ГОСТ IEC 61643-21-2014 |
|
C2, C3, D1 |
|
|
| |
Номер по каталогу |
|
|
|
|
| |
|
|
|
|
|
| |
|
|
|
|
|
| |
|
|
400 088
|
|
|
|
 |  |  |
 |
 |